ABLIC S-82M3A/M4A Battery Protection ICs

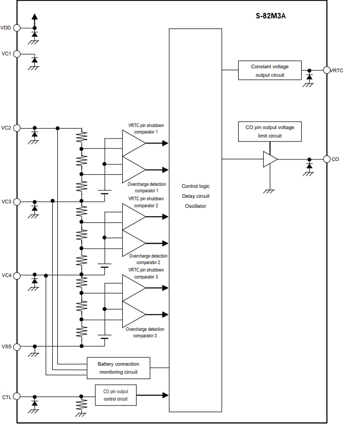
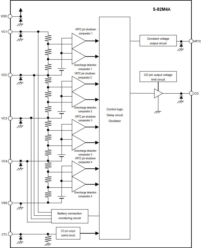
ABLIC S-82M3A/M4A Battery Protection ICs are designed to protect lithium-ion rechargeable batteries in the secondary state and incorporate high-accuracy voltage detection and delay circuits. The S-82M3A IC enables connection of 3-serial cells, and the S-82M4A IC enables connection of 4-serial cells. These ICs feature a wake-up function to prevent the fuse from blowing during battery connection, and allow the lithium battery to be connected in any order. The S-82M3A/M4A ICs include a constant voltage output circuit capable of outputting a 1.5V to 3.3V constant-voltage power supply for an external Real-Time clock IC (RTC). These ICs are lead-free (Sn 100%) and halogen-free.

Features

  • High-accuracy voltage detection circuit for each cell:
    • Overcharge detection voltage:
      • 3.600V to 5V (5mV steps)
      • ±15mV (Ta = +25°C) accuracy
      • ±20mV (Ta = -10°C to +60°C) accuracy
    • Overcharge release voltage:
      • 3.600V to 5V
      • ±50mV accuracy
    • VRTC pin shutdown voltage:
      • 2.500V to 2.800V (100mV step)
      • ±50mV accuracy
  • The wake-up function monitoring battery connection prevents CO pin output errors during battery connection
  • Delay times are generated only by an internal circuit (external capacitors are unnecessary) (1s, 2s, 4s, and 6s overcharge detection delay time, VRTC pin shutdown delay time)
  • 2mA maximum VRTC pin output current
  • 1.500V to 3.300V (100mV step) VRTC pin output voltage with ±2% (Ta = +25°C) accuracy
  • CO pin output voltage is limited to 7.5V maximum
  • Output control function via CTL pin (CTL pin is pulled down internally)
  • Overcharge timer reset function (available and unavailable)
  • -40°C to +85°C wide operating temperature range
  • Lead-free (Sn 100%) and halogen-free

Product Overview

ABLIC S-82M3A/M4A Battery Protection ICs

Block Diagram

Published: 2025-06-04 | Updated: 2025-06-12