Amphenol All Sensors AXCA Amplified Middle Pressure Sensors

Amphenol All Sensors AXCA Amplified Middle-Pressure Sensors are based on proprietary package technology to reduce errors and improve performance and operate in a -25°C to +85°C temperature range. The sensor housing has been designed specifically to reduce package-induced parasitic stress and strain. These middle-pressure sensors provide a ratiometric 4V output with superior output characteristics. The AXCA sensors feature a silicon, micromachined, and stress concentration-enhanced structure that provides a linear output to measured pressure. Amphenol All Sensors AXCA Amplified Middle-Pressure Sensors are internally compensated using the ASIC compensation technique. Applications include medical instrumentation, environmental instrumentation, and HVAC instrumentation.

Features

  • Ratiometric 4V output
  • Temperature compensated
  • Calibrated zero and span
  • ASIC compensation technique

Specifications

  • 0 to ±0.3psi to 0 to 150psi pressure ranges
  • 4.5Vdc to 5.5Vdc supply voltage range
  • -25°C to +85°C operating temperature range
  • -40°C to +125°C storage temperature range

Applications

  • Medical instrumentation
  • Environmental instrumentation
  • HVAC instrumentation

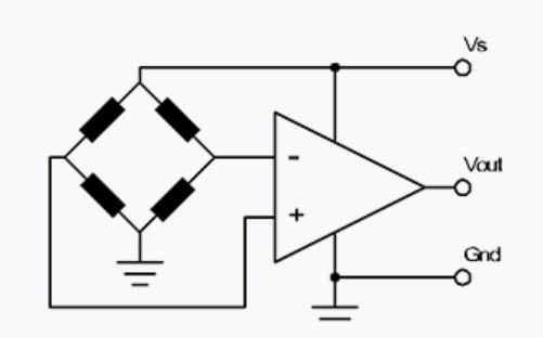
Equivalent Circuit

Application Circuit Diagram - Amphenol All Sensors AXCA Amplified Middle Pressure Sensors

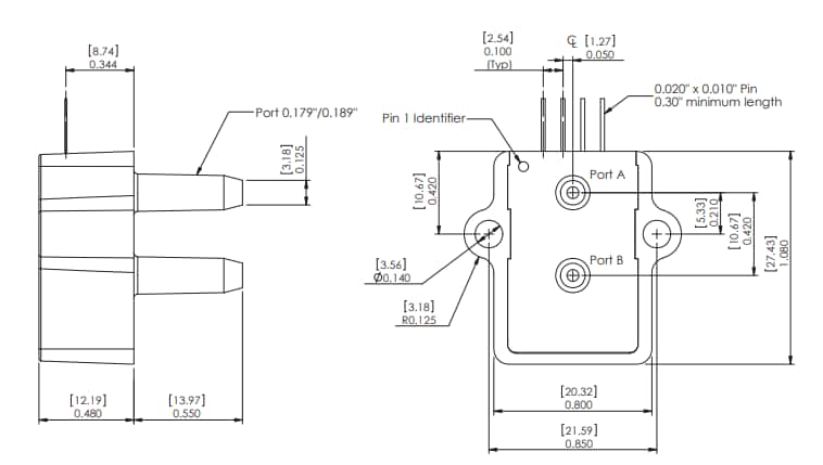
Dimensions

Application Circuit Diagram - Amphenol All Sensors AXCA Amplified Middle Pressure Sensors
Published: 2019-07-23 | Updated: 2023-05-01