Analog Devices Inc. EVAL-ADA4620-1 Evaluation Board

Analog Devices Inc. EVAL-ADA4620-1 Evaluation Board is designed for the ADA4620-1, a 36V, precision JFET op amp in an 8-lead SOIC package. This board is preconfigured with an ADA4620-1 op-amp as a unity-gain follower buffer and features SMA connectors for easy connections on both input and output. This facilitates efficient connections to the test and measurement equipment or external circuits. This four-layer evaluation board's ground plane, component placement, and power supply decoupling are optimized for maximum circuit flexibility and performance. The EVAL-ADA4620-1 board includes provisions for photodiode configurations and filter design. This evaluation board supports diverse applications, including active loop filters, Trans-impedance Amplifiers (TIAs), and charge amplifiers, with unpopulated pads for customization. 

Features

  • Full-featured evaluation board for the ADA4620-1, a 36V, precision JFET op amp
  • Provisions for user-defined circuit configuration
  • Enables quick prototyping
  • Footprint provision for a photodiode for rapid evaluation
  • Edge-mounted connectors and test point provisions

Applications

  • Active loop filters
  • Transimpedance amplifiers (TIA)
  • Charge amplifiers
  • Electronic test and measurement 
  • Scientific and field instruments 
  • Semiconductor test 

EV Board Connections

Analog Devices Inc. EVAL-ADA4620-1 Evaluation Board

Overview

Analog Devices Inc. EVAL-ADA4620-1 Evaluation Board

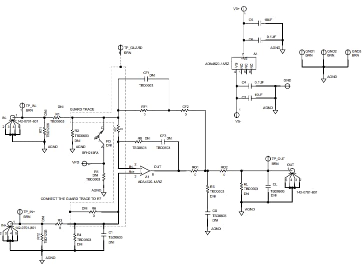
Schematic Diagram

Schematic - Analog Devices Inc. EVAL-ADA4620-1 Evaluation Board
Published: 2025-01-15 | Updated: 2025-02-25