Analog Devices Inc. LT®3380 Power Management Solution
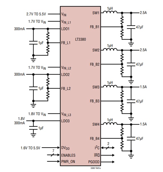
Analog Devices Inc. LT®3380 Power Management Solution is ideal for advanced portable application processor-based systems. The device contains four synchronous step-down DC/DC converters for core, memory, I/O, and system-on-chip (SoC) rails. It also has three 300mA LDO regulators for low noise analog supplies. An I2C serial port controls regulator enables, power-down sequencing, output voltage levels, dynamic voltage scaling, operating modes, and status reporting.Features
- Quad (2x 1.5A and 2x 2.5A) I2C adjustable high-efficiency step-down DC/DC converters
- Three 300mA LDO regulators (2x adjustable)
- Independent enable pin-strap or I2C sequencing
- Programmable autonomous power-down control
- Warnings and faults
- IRQ pin and IRQ status register
- Power Good pin and status register
- +150°C TJ operation (LT3380H)
- Dynamic voltage scaling
- Selectable 2.25MHz or 1.12MHz switching frequency
- 12µA standby current
- Side wettable 40-lead 6mm × 6mm QFN package
Applications
- Automotive
- Industrial
- Communications
- General-purpose multichannel power supplies
TYPICAL APPLICATION
Published: 2020-04-23
| Updated: 2024-09-30
