Analog Devices Inc. LTM2881/2885 RS485/RS422 μModule Transceivers

Analog Devices Inc. LTM2881/LTM2885 RS485/RS422 μModule® Transceivers are complete, galvanically isolated full-duplex RS485/RS422 micromodule transceivers. The transceivers guard against large ground-to-ground differentials and common-mode transients in RS485 and RS232 networks.

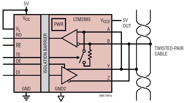
The LTM2881/LTM2885's coupled inductors and isolation power transformer deliver 2500/6500VRMS of isolation between the line transceiver and the logic interface. An integrated, low EMI DC/DC converter powers both sides of the interface. The converter also provides an additional isolated output supply up to 5V.

Requiring no external components, the transceivers offer a complete μModule solution for isolated serial data communications. The devices achieve data rates up to 20Mbps or 250kbps in slew-limited mode. The Analog Devices LTM2881/LTM2885 transceivers guarantee uninterrupted communication for common-mode transients up to 50kV/μs. Enhanced ESD protection enables the transceivers to withstand ±15kV without latch-up or damage. The transceivers are well suited for systems in which the ground loop is broken and common-mode voltage variation is present.

Features

  • RS485/RS422 Transceiver
    • 2500VRMS for 1 minute (LTM2881)
    • 6500VRMS for 1 minute (LTM2885)
  • UL-CSA recognized file #E151738 (LTM2881)
  • CSA component acceptance notice 5A (LTM2881)
  • 5V isolated DC power at U200mA 
  • No external components required
  • 20Mbps or low EMI 250kbps data rate
  • High ESD: ±15kV HBM on transceiver interface
  • High Common Mode Transient Immunity
    • 30kV/μs (LTM2881)
    • 50kV/μs (LTM2885)
  • Integrated selectable 120Ω termination
  • 3.3V (LTM2881-3) or 5.0V (LTM2881-5) operation
  • 1.62V to 5.5V logic supply pin for flexible digital interface
  • Maximum Continuous Working Voltage
    • 560VPEAK (LTM2881)
    • 690VRMS (LTM2885)
  • High input impedance failsafe RS485 receiver
  • Current limited drivers and thermal shutdown
  • Compatible with TIA/EIA-485-A and PROFIBUS
  • High impedance output during internal fault condition
  • Low current shutdown mode (<10μA)
  • General-purpose CMOS isolated channel

Applications

  • Isolated RS485/RS422 interface
  • Industrial networks
  • Breaking RS485 ground loops
  • Isolated PROFIBUS-DP networks

LTM2881 Typical Application

Application Circuit Diagram - Analog Devices Inc. LTM2881/2885 RS485/RS422 μModule Transceivers

LTM2885 Typical Application

Application Circuit Diagram - Analog Devices Inc. LTM2881/2885 RS485/RS422 μModule Transceivers
Published: 2017-05-12 | Updated: 2022-03-29