Analog Devices / Maxim Integrated MAX38647B WLP Evaluation Kit
Analog Devices Inc. MAX38647B WLP Evaluation Kit (MAX38647BEVKIT) evaluates the MAX38647B IC in a wafer-level package (WLP). The compact MAX38647B features a 1.8V to 5.5V input range, 440nA IQ, and a 175mA nanoPower buck converter with four-level VSEL. MAX38647BEVKIT provides resistor-configurable output voltages from 0.5V to 1.8V. The MAX38647B can change voltage dynamically using two voltage-select (VSEL) pins. The fully-assembled/tested Analog Devices Inc. MAX38647B WLP Evaluation Kit delivers up to 175mA of output current and comes with the MAX38647BANA+ installed.Features
- Evaluates the MAX38647B IC in an (1.82mm x 0.89mm, 0.4mm pitch) 8-bump WLP package
- 1.8V to 5.5V input voltage range
- 0.5V to 1.8V configurable output voltage
- Up to 175mA output current
- Proven two-layer 1oz copper PCB layout
- Demonstrates compact solution size
- Fully assembled and tested
Required Equipment
- 1x MAX38647B WLP EV kit
- 5.5V, 3A DC power supply
- Load capable of sinking 175mA current
- Digital voltmeter (DVM)
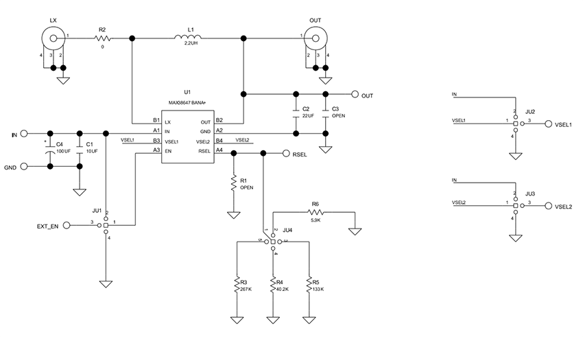
Schematic
Overview
Additional Resources
Published: 2023-06-15
| Updated: 2023-07-05
