Analog Devices Inc. SCP-LT3045-1-EVALZ Evaluation Board
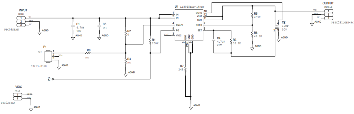
Analog Devices Inc. SCP-LT3045-1-EVALZ Evaluation Board is designed to evaluate LT3045-1 IC, a high-performance low dropout linear regulator. This board is a 20V 500mA Low Dropout (LDO) regulator that provides low noise operation in noise-sensitive circuits. The SCP-LT3045-1-EVALZ board is configured for a wide output range and offers extremely quiet operation with high PSR. This board easily plugs into other SCP boards to form a complete signal chain power system that enables a fast evaluation of low-power signal chains.Features
- Low noise operation in noise-sensitive circuits
- 20V maximum input voltage (VIN(MAX))
- 19.5V maximum output voltage (VOUT(MAX))
- 500mA maximum output current (IOUT(MAX))
Schematic Diagram
Published: 2021-03-09
| Updated: 2022-03-11
