Analog Devices Inc. EVAL-ADM3067EEBZ Evaluation Board

Analog Devices EVAL-ADM3067EEBZ Evaluation Board is designed to evaluate the performance of ADM3067E 50Mbps, RS-485 transceiver. This evaluation board offers IEC ESD protection on the RS-485 A and B bus pins with test points for measuring all the signals. The EVAL-ADM3067EEBZ evaluation board features jumper selectable enable/disable for RE and DE and resistors with footprints for termination and biasing networks. This evaluation board is powered by a standard configurable bench power supply within 3.0V to 5.5V supply voltage.

Features

  • Easy evaluation of ADM3067E 50Mbps, RS-485 transceiver
  • Board layout for standard, full-duplex, RS-485 footprint
  • Screw terminal blocks for logic input/output and RS-485 signals
  • Jumper-selectable enable/disable for RE and DE
  • Test points for measuring all signals
  • Resistors and footprints for termination and biasing networks

Specifications

  • 14-lead SOIC
  • ±12kV contact discharge and ±12kV air discharge
  • 3V to 5V supply voltage range

Required Equipment

  • Oscilloscope
  • Signal generator
  • 3V to 5V supply

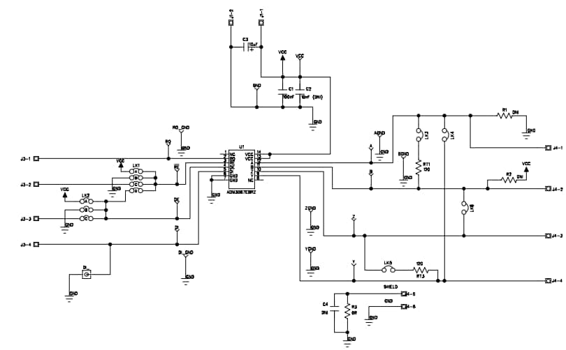
Schematic

Schematic - Analog Devices Inc. EVAL-ADM3067EEBZ Evaluation Board
Published: 2019-05-13 | Updated: 2024-01-05