Bourns SM453230-x1N7YP GbE Chip LAN Transformers

Bourns SM453230-x1N7YP GbE Chip LAN Transformers are discrete transformer/common mode chip inductors offering a high degree of flexibility in PCB layouts. Measuring 4.7mm x 3.3mm x 2.9mm, the small SM453230-x1N7YP Transformers provide compatibility with IEEE 802.3 Ethernet and 1G/2.5G/5G Base-T (SM453230-231N7YP) or 10G Base-T (SM453230-121N7YP). These devices operate within a -40°C to +85°C temperature range and are ideal for high-speed telecommunication and network devices.

Features

  • IEEE 802.3 Ethernet compatible
  • Compatible with
    • 10G Base-T for the SM453230-121N7YP
    • 1G/2.5G/5G Base-T for the SM453230-231N7YP
  • PoE+ capable
  • Discrete transformers and common mode chip inductors for a flexible PCB layout
  • Pairing common mode chip inductor for EMI reduction
    • SRF2012-900YA for the SM453230-121N7YP
    • SRF2012A-801Y for the SM453230-231N7YP
  • -40°C to +85°C temperature range
  • Halogen-free and RoHS compliant

Specifications

  • SM453230-121N7YP
    • 120µH inductance at 100kHz, 0.1V, 0mA
    • ±3% turns ratio
    • -2.0dB typical insertion loss from 1MHz to 500MHz, -3.0dB maximum
    • 21pF typical capacitance
    • 700mA POE+
    • 1500VAC hi-pot for 60s
  • SM453230-231N7YP
    • Inductance
      • 230µH at 100kHz, 0.1V, 0mA
      • 200µH at 100kHz, 0.1V, 15mA
    • ±3% turns ratio
    • -1.5dB typical insertion loss from 1MHz to 250MHz, -2.3dB maximum
    • 35pF typical capacitance
    • 700mA POE+
    • 1500VAC hi-pot for 60s

Electrical Schematic

Schematic - Bourns SM453230-x1N7YP GbE Chip LAN Transformers

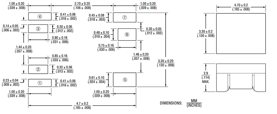
Dimensions

Mechanical Drawing - Bourns SM453230-x1N7YP GbE Chip LAN Transformers
Published: 2021-12-07 | Updated: 2024-06-19