Broadcom ACPL-K305T Automotive Photovoltaic Drivers

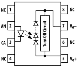
Broadcom ACPL-K305T Automotive Photovoltaic Drivers with R2Coupler™ isolation are designed to drive high-voltage MOSFETs and/or IGBTs. These drivers provide reinforced insulation and reliability that deliver safe signal isolation critical in automotive and high-temperature industrial applications. The ACPL-K305T drivers consist of an AlGaAs infrared LED input stage optically coupled to an output detector circuit. The detector consists of a photovoltaic diode array and a turn-off circuit. The photovoltaic driver is turned on with a minimum input current of 3mA through the input LED. The MOSFET driver is turned off with an input voltage of 0.6V or less. The ACPL-K305T drivers are used in applications like solid-state relays, high-side power switch control, battery management systems, and precharge/active discharge circuits in high-voltage systems.

Features

  • R2Coupler™ isolation
  • Qualified to AEC-Q100 test guidelines
  • -40°C to 125°C automotive temperature range
  • Drive external power MOSFET/IGBT without isolated secondary supply
  • 3mA low IF drive
  • 7.1V open-circuit voltage (typical) at IF = 10mA
  • 59μA short-circuit current (typical) at IF = 10mA
  • Fast switching speed for IF = 10mA, CL = 1nF
  • 0.07ms turn-on time (typical)
  • 0.02ms turn-off time (typical)
  • Regulatory approvals:
    • UL/cUL 1577 5kVRMS for 1 minute
    • IEC/EN 60747-5-5 VIORM = 1260VPEAK

Applications

  • Solid-state relay
  • Precharge/active discharge circuit in high voltage system
  • High-side power switch control
  • Battery management system

Functional Diagram

Broadcom ACPL-K305T Automotive Photovoltaic Drivers

Typical Application Circuit

Application Circuit Diagram - Broadcom ACPL-K305T Automotive Photovoltaic Drivers
Published: 2025-02-19 | Updated: 2025-03-25