Broadcom AFBR-59E4APZ Multimode SFF Transceivers

Broadcom AFBR-59E4APZ Multimode SFF Transceivers are a power-saving Small Form Factor (SFF) transceiver that provides the system designer a product to implement a range of solutions for multimode fiber Fast Ethernet. These transceivers are supplied in the industry-standard 2x5 DIP style with an LC fiber connector interface. Each Broadcom AFBR-59E4APZ device operates at a nominal wavelength of 1310nm with an LC fiber connector interface. These transceivers are optimized to work using both 50/125µm and 62.5/125µm multimode fiber.

Features

  • Multi sourced 2x5 package style
  • Operates with 62.5/125μm and 50/125μm multimode fiber
  • Single +3.3V power supply
  • Wave solder and aqueous wash process compatibility
  • Manufactured in an ISO 9001 certified facility
  • Compatible with the optical performance requirements of 100Base-FX Version of IEEE 802.3u
  • RoHS compliant
  • LVPECL signal detect output
  • Temperature range
    • AFBR-59E4APZ -40°C to +85°C
    • AFBR-59E4APZ-HT -40°C to +95°C

Applications

  • Factory automation at Fast Ethernet speeds
  • Fast Ethernet networking over multimode fiber

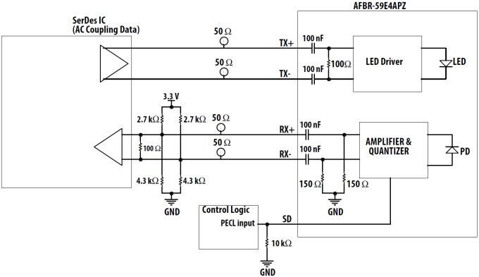
Recommended Termination Circuit

Broadcom AFBR-59E4APZ Multimode SFF Transceivers
Published: 2016-06-07 | Updated: 2025-01-14