Nexperia PESD1ETH10L ESD Protection for In-Vehicle Networks

Nexperia PESD1ETH10L ESD Protection for In-Vehicle Networks are fully compliant with the OPEN Alliance IEEE 10BASE-T1s, 100BASE-T1, and 1000BASE-T1 standards, ensuring robust protection for automotive Ethernet interfaces. The Nexperia PESD1ETH10L-Q and PESD1ETH10LS-Q feature a high trigger voltage of 100V and a low maximum capacitance of 0.4pF, which helps maintain signal integrity. Both devices offer ESD protection up to 18kV (IEC 61000-4-2) and can withstand up to 1000 contact discharges at 15kV, making the devices highly reliable for automotive applications. The PESD1ETH10L-Q comes in a compact DFN1006-2 (SOD882) package, while the PESD1ETH10LS-Q is housed in a DFN1006BD-2 (SOD882BD) package with side-wettable flanks, enhancing solder joint reliability.

Features

  • Fully OPEN Alliance IEEE 10BASE-T1s, 100BASE-T1, and 1000BASE-T1 compliant
  • High 100V minimum trigger voltage
  • Low 0.4pF maximum capacitance 
  • 1000x contact discharges (OPEN Alliance specification) up to 15kV (IEC 61000-4-2)
  • Qualified according to AEC-Q101 and recommended for use in automotive applications
  • ESD protection up to 18kV (IEC 61000-4-2)
  • Package options
    • DFN1006-2 (PESD1ETH10L-Q) plastic, leadless ultra small package, 2-terminal, 0.65mm pitch, 1mm x 0.6mm x 0.48mm body
    • DFN1006BD-2 (PESD1ETH10LS-Q) leadless ultra small plastic package with side-wettable flanks (SWF), 2-terminals, 0.65mm pitch, 1mm x 0.6mm x 0.47mm body 

Applications

  • OPEN Alliance IEEE 10BASE-T1s, 100BASE-T1, and 1000BASE-T1 automotive Ethernet
  • Low-Voltage Differential Signaling (LVDS) automotive

Specifications

  • 75V maximum reverse standoff voltage
  • Rated peak pulse
    • 94W maximum power
    • 2.3A maximum current
  • 0.3pF to 0.4pF diode capacitance range
  • 140V typical trigger voltage
  • 15kV to 18kV ESD protection range
  • -55°C to +150°C ambient temperature range

Pinning Information

Mechanical Drawing - Nexperia PESD1ETH10L ESD Protection for In-Vehicle Networks

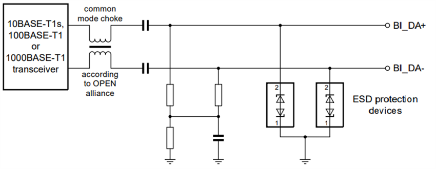
Application Circuit Diagram

Application Circuit Diagram - Nexperia PESD1ETH10L ESD Protection for In-Vehicle Networks
Published: 2025-04-08 | Updated: 2026-03-11