Cosel PCA1500F Enclosed Type AC-DC Power Supplies
Cosel PCA1500F Enclosed Type AC-DC Power Supplies are compact, digitally controlled units ideal for medical, commercial, and industrial applications. These power supplies feature remote on/off, universal 85VAC to 264VAC input range, and 2MOPP medical isolation grade. They offer a low 41mm profile that meets 1U height requirements. Users can digitally monitor or control up to 83 different functions of the PCA unit via Extended UART (RS232) or PMBus communications. Cosel PCA1500F Enclosed Type AC-DC Power Supplies provide a constant current mode for battery charging or other constant current applications with no additional external circuitry required. These devices are covered by a five-year warranty.Features
- Low profile (41mm meets 1U height)
- 2MOPP medical isolation grade
- Universal 85VAC to 264VAC input range
- Remote on/off
- Voltage adjustment from near zero to 120% of the rated output voltage
- Constant current mode for battery charging or other constant current applications with no additional external circuitry required.
- Monitor AC input voltage, DC output voltage, and amperage
- Monitor internal temperature and smart fan speed
- Set delayed start and ramp rate.
- Change the AUX voltage between 5VDC and 12VDC
- Parallel and series operation
- 5VDC to 48VDC output voltages
- Up to 1680W output (24VDC to 48VDC) at high line, 230VAC input
- ANSI/AAMI ES60601-1, EN60601-1 3rd safety agency approvals
- UL, CE, Demko, and RoHS compliance
- 5-year warranty
Applications
- Medical
- Commercial
- Industrial
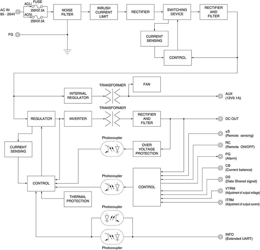
Block Diagram
Published: 2021-04-12
| Updated: 2022-03-11
