The Cree CLX6E 3-in-1 SMD LED has an encapsulation resin that contains UV inhibitors to minimize the effects of long-term exposure to direct sunlight. This enables stable light output over the life of the CLX6E.
The CLX6E is housed in a PLCC6 package with increased package height to ease the manufacturing process.
Features
- Dominant wavelength:
- Red (619nm - 624nm)
- Green (520nm - 535nm)
- Blue (460nm - 480nm)
- Luminous intensity
- Red (355mcd - 805mcd)
- Green (710mcd - 1400mcd)
- Blue (140mcd - 355mcd)
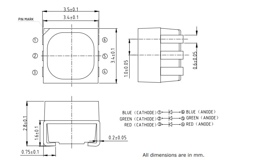
- 3.5mm x 3.4mm x 2.8mm Size
- Water-resistant (IPX8)
- 5a Moisture sensitivity level
- Lead-free
- RoHS compliant
Applications
- Architecture lighting
- Outdoor full-color video screen
- Decorative lighting
- Amusement
Relative Intensity vs. Dominant Wavelength
Mechanical Dimensions
Published: 2021-12-15
| Updated: 2024-08-06

