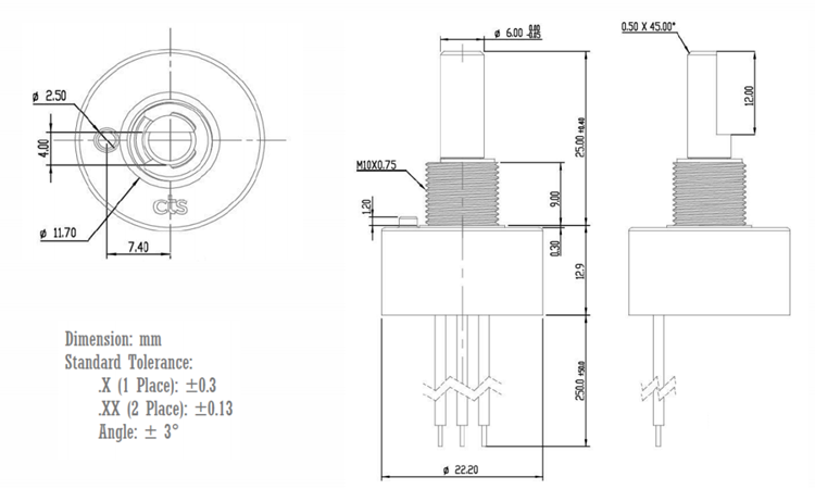
CTS Electronic Components 285 Series Non-Contacting Position Sensors
CTS Electronic Components 285 Series Non-Contacting Position Sensors are compact 22mm size sensors. These position sensors offer an extended rotational life of 10 million cycles. The CTS Electronic Components 285 series non-contacting position sensors operate at -40°C to +125°C temperature range. Applications include patient platform position feedback, pneumatic control valve position feedback, draw wire position sensors, actuator motor position feedback, foot pedal, twist throttle, and steering.Features
- Compact 22mm size
- Extended rotational life (10 million cycles)
- -40°C to +125°C wide temperature range
- 120 RPM (maximum) operating speed
- Precision linearity (±0.5% and ±0.25% options)
- Dust and water protection (IP50, IP54, and IP67 options)
Applications
- Patient platform position feedback
- Pneumatic control valve position feedback
- Draw wire position sensors
- Actuator motor position feedback
- Foot pedal, twist throttle, steering, lift, and shuttle
285 Position Sensors Output Graph
285 Position Sensors with Flatted Shaft
Published: 2019-04-25
| Updated: 2023-05-18
