Diodes Incorporated AL8860Q & AL8861Q Automotive Grade LED Drivers
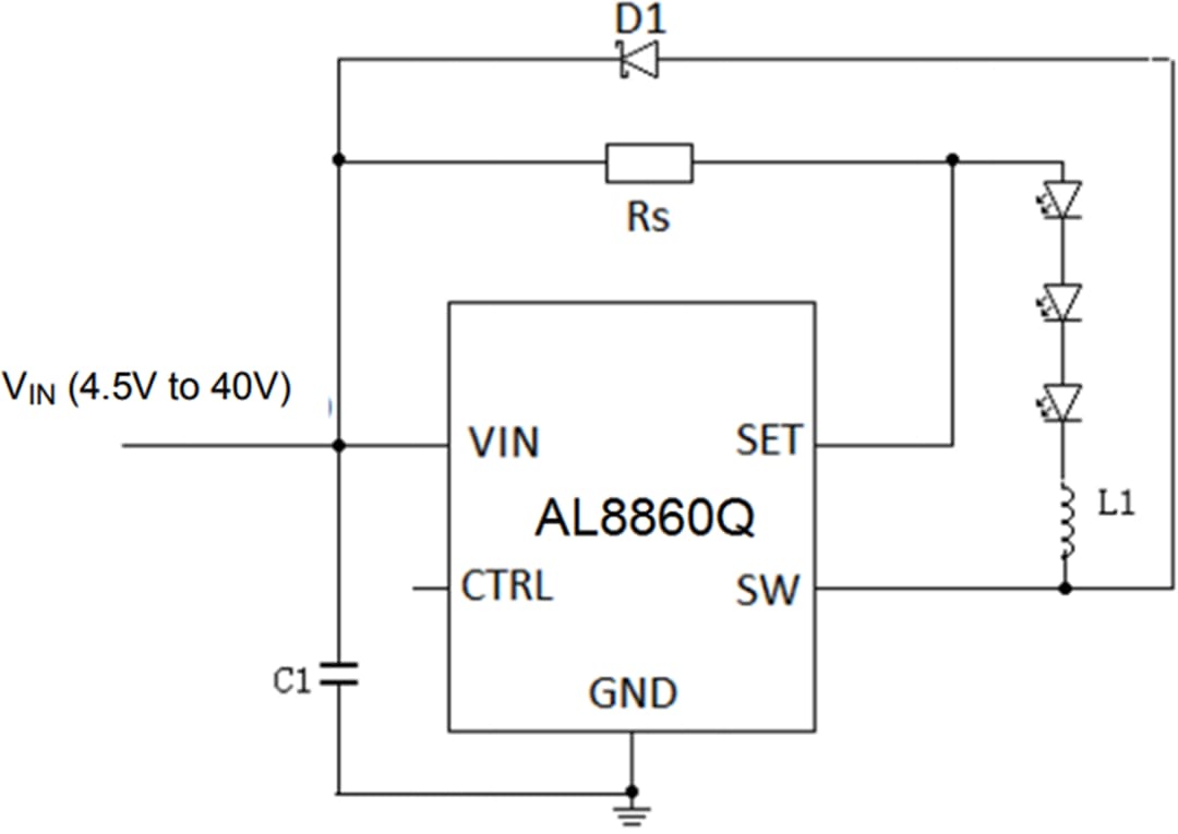
Diodes Incorporated AL8860Q and AL8861Q Automotive Grade LED Drivers are hysteresis mode DC-DC step-down drivers designed for driving single or multiple series of the connected LEDs efficiently from a voltage source higher than the LED voltage. The Diodes Incorporated AL8860Q and AL8861Q can operate with an input supply from 4.5V to 40V. These devices provide an externally adjustable output current of up to 1.5A. These DC-DC converters can provide up to 40W of output power depending upon supply voltage and external components.The AL8860Q and AL8861Q LED Drivers integrate the power switch and a high-side output current sensing circuit, which uses an external resistor to set the nominal average output current.
Dimming can be realized by applying an external control signal to the CTRL pin on the AL8860Q and the VSET pin on the AL8861Q. Connecting an external capacitor from the CTRL or VSET pin to the ground can adjust the soft-start time. Applying a voltage of 0.2V or lower to the AL8860Q CTRL pin or the AL8861Q VSET pin turns off the switches and makes the devices enter into low-power standby mode.
The Diodes Incorporated AL8860Q & AL8861Q LED Drivers are offered in industry-standard, Pb-free MSOP-8EP packages. These devices are AEC-Q100 Grade 1 qualified and supported by PPAP (Production Part Approval Process) documentation, thus meeting all the requirements of the automotive electronics industry.
Features
- AEC-Q100 Grade 1 qualified
- 4.5V to 40V wide input voltage range
- Output current up to 1.5A
- Internal 40V NDMOS switch
- Typical 5% output current accuracy
- Single pin for on/off and brightness control by DC voltage or PWM signal
- AL8860Q CTRL Pin
- AL8861Q VSET Pin
- High efficiency (>95%)
- Up to 1MHz switching frequency
- -40°C to +125°C operating ambient temperature
- LED short-circuit protection
- Inherent open-circuit LED protection
- Sense resistor short-circuit protection
- Over-temperature shutdown
- ESD ratings
- Human Body Model (HBM), Per AEC-Q100-002: ±3000V
- Charged Device Model (CDM), Per AEC-Q100-011: ±1000V
- MSOP-8EP package type
- Totally lead-free and fully RoHS compliant
- Halogen and antimony free "Green" device
Applications
- Automotive Interior LED Lamps
- Automotive Exterior LED Lamps
Press Releases
Automotive Applications
