Diotec Semiconductor DIWOx Fast Switching IGBT Transistors
Diotec Semiconductor DIWOx Fast-Switching IGBT Transistors include a reverse diode and use Trench and Fieldstop technology. These fast-switching speed transistors feature 1350V collector-emitter voltage, soft switching, parallel operation, and are short-circuit proof. The DIWOx fast-switching IGBT transistors are RoHS-compliant and are available in a TO-247 package. Typical applications include frequency inverters, AC-DC motor drives, commercial/industrial grade, and 80Hz to 100Hz switching frequency devices.Features
- Trench and Fieldstop technology
- Fast-switching speed
- 1350V collector-emitter voltage
- Soft switching
- Parallel operation
- Short-circuit proof
- RoHS-compliant
- TO-247 package
Applications
- Frequency inverters
- AC-DC motor drives
- Commercial/industrial grade
- 80Hz to 100Hz switching frequency devices
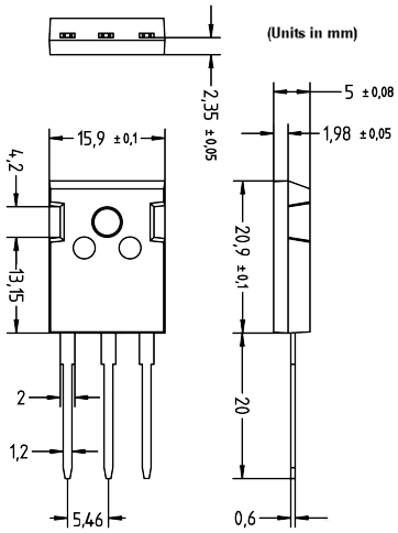
Dimension Diagram
Published: 2024-04-12
| Updated: 2024-06-25
