ECS ECS-2520SMVQ SMD Multi Volt™ HCMOS Oscillators
ECS ECS-2520SMVQ SMD Multi Volt™ High-speed Complementary Metal Oxide Semiconductor (HCMOS) Oscillators are AEC-Q200 qualified crystal oscillators. The oscillators feature a 2.5mm x 2mm ceramic package, which is ideal for automotive, industrial, and Internet of Things (IoT) applications. The ECS ECS-2520SMVQ SMD Multi Volt HCMOS Oscillators offer an extended -40°C to +105°C operating temperature range, a wide 1.62V to 3.63V supply voltage range, and a ±20ppm tight frequency stability. The oscillators are RoHS compliant and compatible with 1.8V, 2.5V, or 3.3V power supplies.Features
- HCMOS Oscillators
- Multi Volt capability
- AEC-Q200 qualified
- Extended temperature range
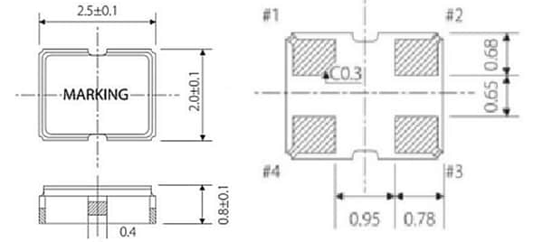
- 2.5mm x 2mm x 1mm ceramic package
- Wide supply voltage range
- Tight stability
- RoHS compliant
Applications
- Automotive
- Industrial
- IoT
Specifications
- 8MHz to 60,000MHz frequency range
- 1.62V to 3.63V supply voltage range
- ±20ppm frequency stability
- 15pF output load
- 3nS rise and fall time
- 10ms start-up time
- 0.5pS max phase jitter at 12kHz to 20MHz
- 10mA max input current
- 10μA standby current rating
- -40°C to +105°C operating temperature range
- -55°C to +125°C storage temperature range
Dimensions (mm)
Additional Resources
Published: 2024-03-05
| Updated: 2024-03-19
