Honeywell VPX Hazardous Location Limit Switches

Honeywell VPX Hazardous Location Limit Switches are constructed for outdoor use in potentially hazardous environments. These switches withstand rain, wind, snow, ice, and blowing dust while the enclosures are built to handle the pressures of internal explosions. Honeywell VPX Hazardous Location Limit Switches feature a rugged diecast aluminum housing that is sealed for outdoor use and complies with NEMA requirements. These switches are also certified for ATEX, IECEx, CE, cULus, NEPSI, and KOSHA specifications for global applications that require protection from explosive gases, vapors, and combustible dust. These indicators are available with snap-action switches or intrinsically safe inductive proximity switches and designed for up to 500,000 actuation cycles.

Features

  • Withstands rain, wind, snow, ice, and blowing dust environments
  • Diecast aluminum housing and various sealing (NEMA 4, 4X, 6, and 13)
  • Certified for ATEX, IECEx, CE, cULus, NEPSI, and KOSHA specifications
  • Weather-sealed to NEMA and IP ratings
  • Parts with proximity switches have an Intrinsically Safe (IS) rating
  • -40°C to +80°C operating temperature range
  • Designed for up to 500,000 actuation cycles
  • Available in multiple indicator colors visible from all directions

Applications

  • Seaside grain and duel loading docks
  • Oil and gas wells
  • Refineries
  • Fuel storage facilities
  • Mining
  • Petrochemical and chemical plants
  • Wastewater treatment facilities
  • Oil and gas production pipeline networks
  • Paint batching / blending plants
  • Pharmaceuticals and drug processing plants
  • Food and beverage industries
  • Pesticide manufacturing plants
  • Textile dyeing and finishing plants
  • Lead acid battery manufacturing facilities

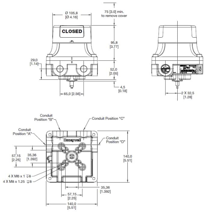
Mounting Dimensions

Mechanical Drawing - Honeywell VPX Hazardous Location Limit Switches
Published: 2017-02-10 | Updated: 2022-03-25