Infineon Technologies MOTIX™ 160V Gate Drivers
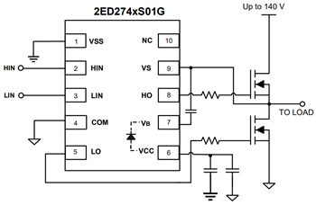
Infineon Technologies MOTIX™ 160V Gate Drivers are ideal for half-bridge BLDC motor drives. The Infineon drivers have built-in bootstrap diodes for the high-side capacitor. Protection includes undervoltage lockout on VCC and VB pins. The output drivers minimize cross-conduction with a high-pulse current buffer stage.Features
- Bootstrap voltage (VB node) of +160V
- Floating channel designed for bootstrap operation
- Integrated low RON, ultra-fast bootstrap diodes
- Independent under-voltage lockout for both high and low-side
- Integrated shoot-through protection with built-in dead-time
- Integrated short pulse/noise rejection input filter
- Schmitt trigger inputs with hysteresis
- 3.3V, 5V input logic compatible, outputs in phase with inputs
- Available in small footprint VSON-10 lead, 3mm x 3mm package
- 2ED2744S01G 2.5kV, 2ED2734S01G 2kV HBM ESD, RoHS compliant
Applications
- General purpose half-bridge gate driver for N-Channel MOSFETs
- Servo drives in robotics and factory automation
- General purpose low voltage drives or inverters
- e-Scooters, e-bikes, and other e-vehicles that do not require Automotive Qualification (LSEV)
- Battery-operated Small Home Appliances (SHA)
- Commercial and agricultural drones
- Professional and consumer service robotics
- Logistics vehicles (e-forklifts, autonomous warehouse robotics)
- Battery-operated hand-held power tools
- Gardening or Outdoor Power Equipment (OPE) tools
Published: 2023-08-29
| Updated: 2024-04-29
