Infineon Technologies StrongIRFET™ 2 Power MOSFETs

Infineon Technologies StrongIRFET™ 2 Power MOSFETs are N-channel, normal level, and 100% avalanche tested MOSFETs. The Infineon StrongIRFET 2 MOSFETs are optimized for a wide range of applications. The MOSFETs offer a VDS range of 80V to 100V and an RDS(on) from 2.4mΩ to 8.2mΩ.

Features

  • Optimized for a wide range of applications
  • N-channel, normal level
  • 100% avalanche tested
  • Pb-free lead plating
  • RoHS compliant
  • Halogen-free according to IEC61249-2-21

Package Circuit Application

Application Circuit Diagram - Infineon Technologies StrongIRFET™ 2 Power MOSFETs

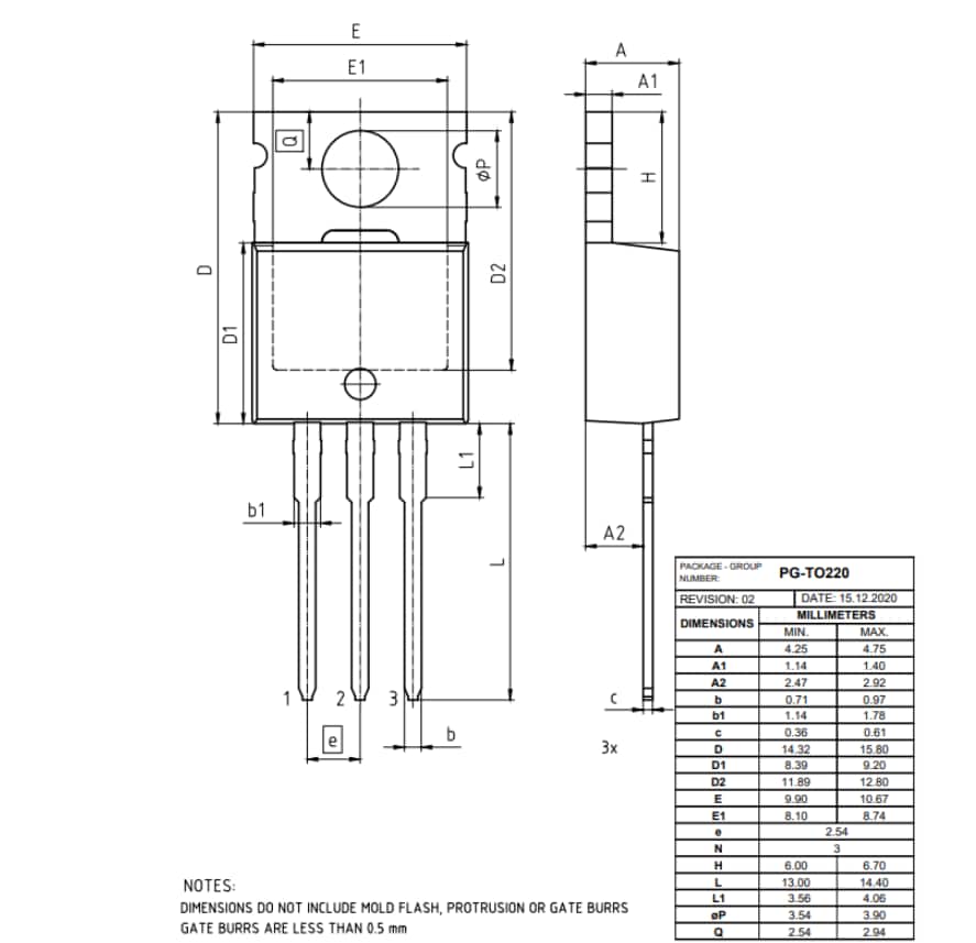
Package Style

Mechanical Drawing - Infineon Technologies StrongIRFET™ 2 Power MOSFETs
Published: 2021-01-21 | Updated: 2025-09-24