LEM HMSR-SMS Board Mount Integrated Current Sensors

LEM HMSR-SMS Board Mount Integrated Current Sensors are designed to provide the advantages of a current sensor IC while incorporating an isolation concept for enhanced robustness. This innovative design ensures superior performance and reliability, making the LEM HMSR-SMS sensors an excellent choice for demanding applications. By integrating advanced isolation technology, the HMSR-SMS series offers a highly durable and efficient solution for precise current measurement.

With a guaranteed 4.95kV isolation and laboratory-characterized performance up to 5.66kV, the HMSR-SMS sensors set a standard in safety and reliability. The pre-mold design effectively isolates the primary bar, while a special footprint allows 8mm dCp/dCI clearance on the landing pad. Additionally, the integrated micro-core enhances immunity to external magnetic fields, ensuring high accuracy in challenging environments. These features make HMSR-SMS an ideal solution for solar DC-side applications, chargers, and other power electronics systems requiring both precision and robustness.

Features

  • Open-loop multi-range current transducer
  • Voltage output
  • Double overcurrent detection
  • +5V single power supply
  • Galvanic separation between primary and secondary
  • Low power consumption
  • High bandwidth, very low-loss magnetic core
  • Low 0.76mΩ electrical resistance
  • Reinforced insulation capability
  • High resolution
  • High immunity to external interference
  • ≤20kA lightning impulse current
  • Factory calibrated
  • Compact design for surface-mount PCB mounting
  • Low 6mm profile
  • Small footprint
  • 5-year warranty
  • Qualified to Moisture Sensitivity Level (MSL) 1
  • RoHS compliant
  • Standards
    • IEC 61800-5-1: 2007
    • IEC 62109-1: 2010
    • IEC 60950-1: 2005
    • UL 1577: 2014 (pending)

Applications

  • Small drives
  • Heating, Ventilation, and Air Conditioning (HVAC) inverters
  • Appliances
  • Solar inverters

Specifications

  • 8V maximum supply voltage
  • 6.5V maximum operating supply voltage from -40°C to +125°C
  • 25mA maximum output current source
  • 50mA maximum input current sink
  • 0.76mΩ typical resistance of the primary at +25°C
  • Insulation coordination
    • 4.95kV RMS voltage for AC insulation test, 50Hz, 1 minute
    • 8kV impulse withstand voltage, 1.2/50μs
    • 1650V partial discharge RMS test voltage
    • 8mm clearance and creepage distance
    • 600 comparative tracking index
    • Application examples
      • 1000V system voltage RMS with basic insulation according to IEC 61800-5-1, IEC 62109-1, IEC 60950-1 CAT III, PD2
      • 600V system voltage RMS with reinforced insulation according to IEC 61800-5-1, IEC 62109-1, IEC 60950-1 CAT III, PD2
      • 1500V system voltage DC with basic insulation according to IEC 62109-1 CAT III, PD2
      • 800V system voltage DC with reinforced insulation according to IEC 62109-1 CAT III, PD2
  • Typical thermal resistance
    • 18K/W junction-to-case
    • 19K/W juntion-to-ambient
  • Maximum ESD protection
    • 2kV Human Body Model (HBM)
    • 500V Charged Device Model (CDM)
  • Electrical
    • 6A, 8A, 10A, 15A, 20A, and 30A typical primary nominal current options
    • ±15A to ±75A primary current measuring range
    • 2.48V to 2.52V internal reference voltage
    • ±2 output voltage range
    • 2Ω typical output internal resistance of Uout, 5Ω maximum
    • 120Ω to 333Ω output internal resistance range of Uref
    • 0nF to 6nF load capacitance range on Uout
    • 0nF to 100nF load capacitance on Uref
    • 4.5VDC to 5.5VDC supply voltage range
    • 20mA typical DC current consumption, 26mA maximum
    • 26.67mV/A to 133.33mV/A nominal sensitivity range
    • ±0.75 sensitivity error range
    • 1.4µs to 2.1µs internal OCD delay time
    • 300kHz typical frequency bandwidth (-3dB)
    • 7µs to 14µs internal OCD output hold time
  • Materials
    • Copper for the primary/secondary
    • Tin-Bismuth plating on all terminals
  • ±0.15mm general tolerance
  • +150°C maximum junction temperature
  • -40°C to +125°C ambient operating temperature range

Block Diagram

Block Diagram - LEM HMSR-SMS Board Mount Integrated Current Sensors

Pins Definitions

Chart - LEM HMSR-SMS Board Mount Integrated Current Sensors

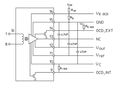
Connection

Schematic - LEM HMSR-SMS Board Mount Integrated Current Sensors

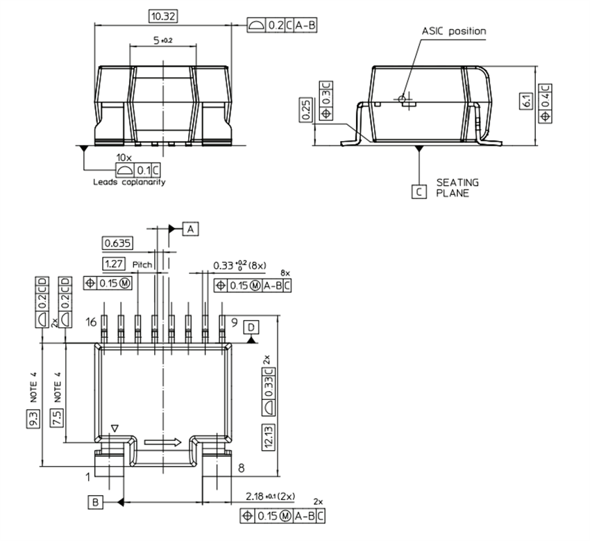
Dimensions (mm)

Mechanical Drawing - LEM HMSR-SMS Board Mount Integrated Current Sensors
Published: 2025-07-22 | Updated: 2025-10-24