MaxLinear MxL8321x-ADA-EVK Evaluation Kits

MaxLinear MxL8321x-ADA-EVK Evaluation Kits provide a platform to evaluate the performance and features of the MxL8321x RS-485/422 transceivers. The MxL8321x transceivers support up to 50Mbps communication in extreme industrial environments. These transceivers feature 1/8 unit load, low-power shutdown mode, glitch-free power-up/down hot plug capability, and 24mA maximum receiver output current. The MxL8321x transceivers are used in smart grids, process control equipment, high-performance motor drives, and industrial transports.

Features

  • MxL8321x transceivers:
    • Meets or exceeds the TIA/EIA-485A standard requirements
    • Glitch-free power-up/down hot plug capability
    • Improved failsafe protection for open, short, and idle conditions
    • 3V to 5.5V supply voltage range
  • MxL8321x-ADA-EVK:
    • Provide a platform to evaluate the performance of the MxL8321x transceivers

Applications

  • Smart grids
  • Process control equipment
  • High-performance motor drives
  • Industrial transports
  • BBU and RRU telecom equipment
  • Industrial and single-board computers

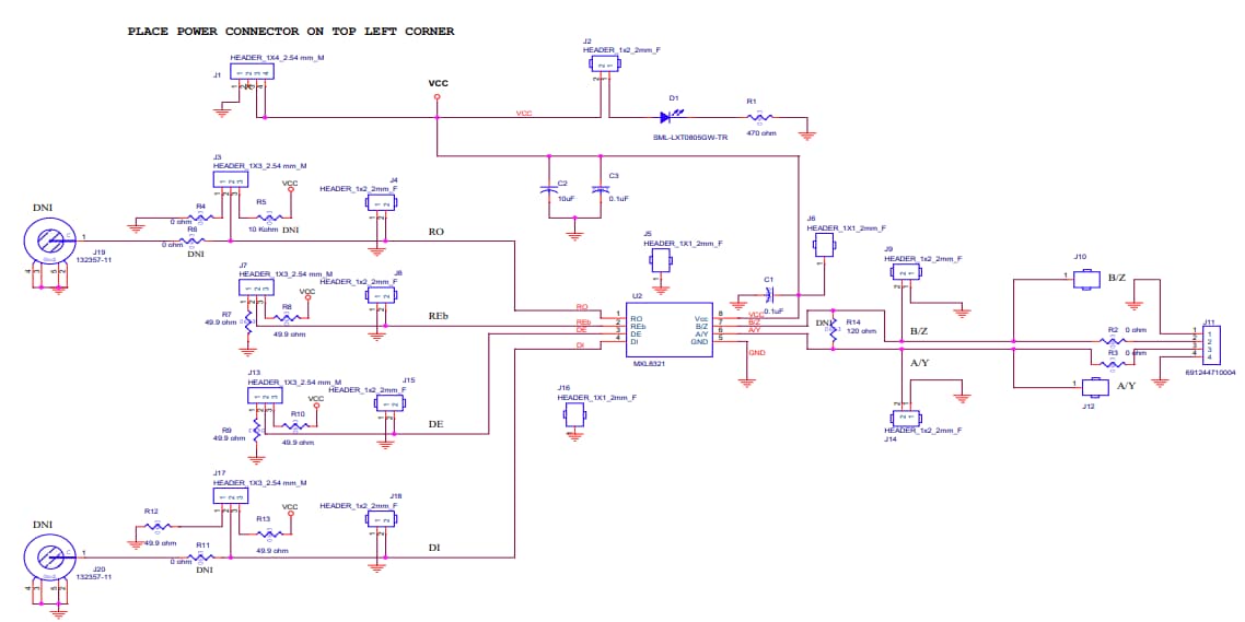
Schematic Diagram

Schematic - MaxLinear MxL8321x-ADA-EVK Evaluation Kits
Published: 2024-09-03 | Updated: 2024-09-08