Microchip Technology MIC21LV32 & MIC21LV33 Advanced COT PWM Controllers
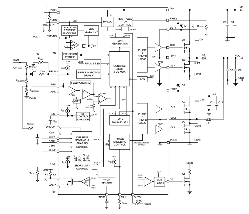
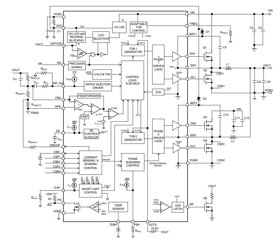
Microchip Technology MIC21LV32 and MIC21LV33 36V, Dual Phase Advanced COT PWM Controllers provide a unique adaptive ON-time control architecture. The MIC21LV33 Controller includes Hyperlight Load® and phase shedding features, while the MIC21LV32 offers a stackable feature up to 8 phases. The Hyper Speed Control® architecture supports ultrafast transient response under medium to heavy loads. The soft-start is also programmable externally with a capacitor, thus enabling safe start-ups into heavy loads.The Microchip MIC21LV32 and MIC21LV33 operate over an input supply range from 4.5V to 36V and can be used to supply up to 50A of output current. The input voltage could be lowered to 2V with an external VDD of 5V provided. The output voltage of the devices is adjustable down to 0.6V with a guaranteed accuracy of ±1% over the entire operating temperature.
The MIC21LV32 and MIC21LV33 Controllers are available in a 32-pin 5mm x 5mm VQFN package with a -40°C to +125°C junction operating temperature range.
Features
- 4.5V to 36V Input Voltage Range
- Input down to 2V when VDD = 5V from external supply
- Adjustable output voltage from 0.6V to 28V
- Adaptive constant on-time control:
- High DeltaV operation
- Any Capacitor™ stable
- 0.6V Internal reference with ±1% accuracy
- ±0.5% Reference accuracy for -40°C to 105°C
- Novel ripple injection method to allow greater than 50% duty cycle operation
- Operates in CCM, stackable for multiphase operation up to eight phases (MIC21LV32)
- HyperLight Load® and automatic phase shedding (MIC21LV33)
- Ability to Interface with External MCU (MIC21LV33)
- Accurate current balancing between phases
- Accurate 180° phasing of outputs
- 100kHz to 1MHz Switching frequency per phase
- High-voltage internal 5V LDO for single-supply operation (MIC21LV33)
- Secondary LDO to improve system efficiency
- Supports start-up to pre-bias output
- Remote sense amplifier for tight output regulation
- Droop feature to support Adaptive Voltage Positioning (AVP) for improved load transient response
- Precision enable function for low standby current
- External programmable soft start to reduce inrush current
- Lossless RDSON current sensing with NTC temperature compensation or resistor sensing method
- Programmable current limit and hiccup mode short-circuit protection
- Thermal shutdown with hysteresis
- -40°C to +125°C Junction temperature range
- Compact Size 5mm x 5mm 32-Pin VQFN package
Applications
- Distributed power systems
- Communications/networking infrastructure
- Printers, scanners, graphic cards and video cards
- FPGA, CPU, MEM, GPU core supplies
Published: 2021-04-28
| Updated: 2022-04-20
