Mikroe MIKROE-3115 ADC 7 Click

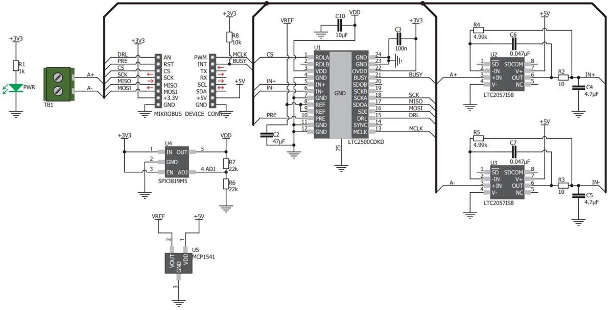
Mikroe MIKROE-3115 ADC 7 Click is an advanced 32bit Analog-to-Digital Converter (ADC) with a wide dynamic range that allows very precise sampling of the input voltage. This Mikroe Click uses a 32-bit oversampling SAR ADC with a configurable LTC2500-32 digital filter. The filter provides several presets (selectable via the hardware pin) and programming of the filtering parameters via the industry-standard SPI interface. The LTC2500-32 offers a high dynamic range of 148dB at 61 Samples Per Second (SPS) and 32-bit output with no missing codes. The MIKROE-3115 ADC 7 Click board provides 4.096V from a tiny MCP1541 fixed reference voltage IC that is used as an external reference voltage to the LTC2500-32 ADC. This Click board is ideally suited for seismology applications, high precision instrumentation, energy exploration, and similar sensitive applications that require very high sampling accuracy.

Features

  • Seven types of integrated digital filters with programmable options
  • 32-bit data output with a high dynamic range
  • Onboard modules:
    • Uses a 32bit oversampling SAR ADC with a configurable LTC2500-32 digital filter
      • High dynamic range of 148dB at 61SPS 
      • 32bit output with no missing codes
    • LTC2057 operational amplifier from Analog Devices
      • High voltage, low noise, and zero-drift
    • Microchip MCP1541 fixed reference voltage IC to provide 4.096V 
  • A wide range of common mode voltage allows different kinds of bipolar and unipolar input signals to be sampled

Applications

  • High precision instrumentation
  • Seismology applications
  • Sensitive applications that require very high sampling accuracy
  • Energy exploration applications

Overview

Block Diagram - Mikroe MIKROE-3115 ADC 7 Click

Schematic

Schematic - Mikroe MIKROE-3115 ADC 7 Click
Published: 2018-10-24 | Updated: 2022-08-25