Monolithic Power Systems (MPS) MP2148 Synchronous Step-Down Converters
Monolithic Power Systems (MPS) MP2148 Step-Down Converters are monolithic step-down switch-mode converters that feature built-in internal power MOSFETs. These devices offer 1A of continuous current output from a 2.3V to 5.5V input voltage with excellent load and line regulation. The output voltage can be regulated to as low as 0.6V. The constant-on-time control scheme delivers a fast transient response and eases loop stabilization. Fault protections include cycle-by-cycle current limiting and thermal shutdown. MPS MP2148 Step-Down Converters are available in a QFN-6 package and require only a few external components. This series is ideal for wireless/networking cards, portable and mobile devices, battery-powered devices, and low voltage I/O system power.Features
- Low 11µA IQ
- 2.2MHz switching frequency
- EN for power sequencing
- Power good only for fixed output version
- Wide 2.3V to 5.5V operating input range
- Output adjustable from 0.6V
- Up to 1A output current
- 120mΩ and 80mΩ internal power MOSFET switches
- Output discharge
- Short-circuit protection with hiccup mode
- Stable with low ESR output ceramic capacitors
- Available in a QFN-6 (1.0mmx1.5mm) package
Applications
- Wireless/Networking cards
- Portable and mobile devices
- Battery-powered devices
- Low voltage I/O system power
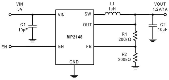
Application Diagram
Published: 2015-05-14
| Updated: 2022-03-11
