Monolithic Power Systems (MPS) MP5990 Fully Integrated Hot-Swap Solutions
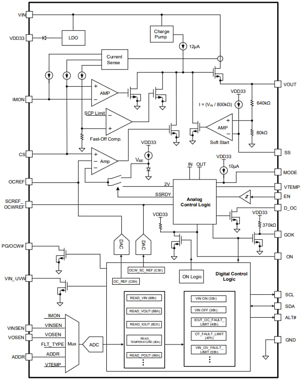
Monolithic Power Systems (MPS) MP5990 Fully Integrated Hot-Swap Solutions consist of a hot-swap controller and a High-Side power MOSFET (HS-FET), which operate as a standalone device. These devices achieve up to 50A of continuous output current (IOUT) per device at room temperature and up to 60A of continuous IOUT with airflow. The MP5990 hot-swap solutions limit the backplane voltage drop by limiting the inrush current to the load. These devices feature an integrated current mirror to monitor IOUT and integrated on-die temperature-sensing. The MP5990 hot-swap solutions detect power MOSFET gate, source, and drain short conditions.The MP5990 hot-swap solutions provide rich fault protections such as Over-Voltage Protection (OVP), Over-Current Protection (OCP), Short-Circuit Protection (SCP), and Over-Temperature Protection (OTP). These hot-swap solutions feature Under-Voltage Warning (UVW), output over-current warning (D_OC), and Power Good (PG) indications. The MP5990 hot-swap solutions monitor and report fault statuses through the PMBus interface. These hot-swap solutions are available in an LGA-45 (5mm x 7mm) package. Typical applications include hot swaps, PC cards, disk drives, servers 5G telecom, networking, and laptops.
Features
- 4V to 16V operating input voltage (VIN) range
- 50A maximum output current (IOUT)
- Supports 60A of IOUT with airflow
- 1mΩ integrated power MOSFET
- PMBus/I2C 1.3 compatible
- ±1% IMON reporting accuracy
- Built-in MOSFET driver
- Integrated current-sense with sense output
- Configurable over-current limit
- Configurable short-circuit current limit
- Built-in insertion delay
- Configurable Soft Start (SS)
- Built-in fuse health reporting
- Fault signal output (GOK)
- Power Good (PG) indications
- VIN Under-Voltage Warning (UVW)
- Fault Type indications (FLT_TYPE)
- Faults auto-record to the NVM
- VIN OVP, SCP, OCP, and OTP with options for no action, latch, retry, or hiccup mode
- Intelli-fuse junction temperature monitoring
- Intelli-fuse controller
- Built-in NVM to store custom configurations
- High precision EIN, PIN, POUT, and IOUT reporting
- Configurable TON_DELAY and TOFF_DELAY
- NVM write protection
- Available in an LGA-45 (5mm x 7mm) package
Applications
- Hot Swaps
- PC Cards
- Disk Drives
- Servers
- 5G Telecom
- Networking
- Laptops
Block Diagram
Videos
Published: 2024-06-26
| Updated: 2025-02-24
