Nexperia 74HCS595 8-bit Shift Register

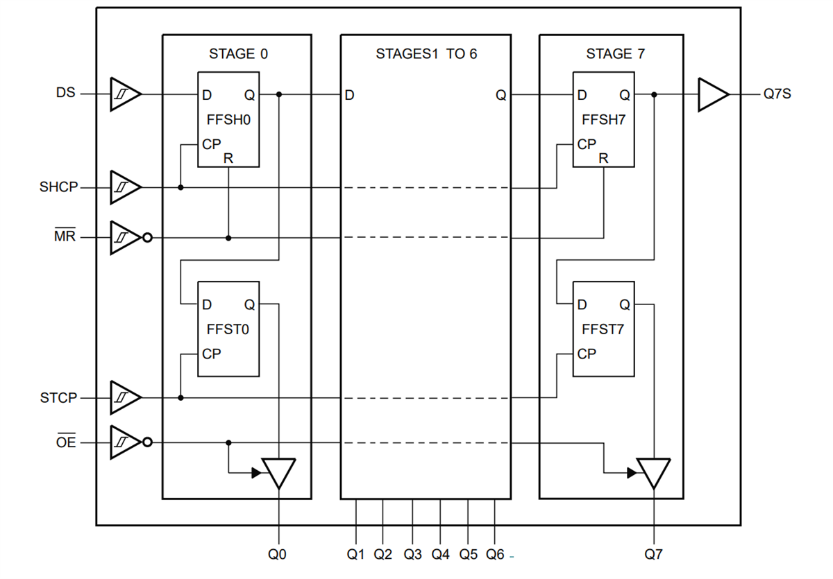
Nexperia 74HCS595 8-bit Shift Register offers a storage register and 3-state outputs, with the shift and storage register supplying separate clocks. The 8-bit serial-in/serial or parallel-out shift register provides a serial input (DS) and a serial output (Q7S) to enable cascading and an asynchronous reset MR input. Furthermore, a LOW on MR will reset the shift register, and data is shifted on the LOW-to-HIGH transitions of the SHCP input.

If both clocks are connected, the shift register will consistently be one clock pulse ahead of the storage register. Data in the storage register materializes at the output whenever the output enable input (OE) is LOW. A HIGH on OE causes the outputs to assume a high-impedance OFF state, and the operation of the OE input does not affect the state of the registers. The inputs include clamp diodes, which allow the use of current-limiting resistors to interface inputs to voltages in excess of VCC. All inputs are Schmitt-trigger inputs, capable of transforming slowly changing input signals into sharply defined, jitter-free output signals.

The Nexperia 74HCS595-Q100 8-bit Shift Register is qualified per AEC-Q100 Grade 1 and is specified from -40°C to +85°C and -40°C to +125°C.

Features

  • Automotive product qualification in accordance with AEC-Q100 Grade 1 (74HCS595-Q100)
  • Specified from -40°C to +85°C and from -40°C to +125°C
  • Wide supply voltage range from 2.0V to 6.0V
  • Schmitt-trigger inputs
  • Low power consumption
    • Typical supply current (ICC) of 100nA
    • Typical input leakage current (II) of ±10nA
  • ±7.8mA output drive at 6V
  • 8-bit serial input and 8-bit serial or parallel output
  • Storage register with 3-state outputs
  • Shift register with direct clear
  • Latch-up performance exceeds 100mA per JESD 78 Class II Level B
  • Complies with JEDEC standards of JESD7A (2.0V to 6.0V)
  • ESD protection:
    • HBM ANSI/ESDA/JEDEC JS-001 class 3A exceeds 4000V
    • CDM ANSI/ESDA/JEDEC JS-002 class C3 exceeds 1500V
  • Multiple package options

Applications

  • Serial-to-parallel data conversion
  • Remote control holding register
  • Output expansion
  • LED matrix control
  • 7-segment display control
  • 8-bit data storage

Block Diagram

Block Diagram - Nexperia 74HCS595 8-bit Shift Register
Published: 2025-06-20 | Updated: 2025-07-15