Nexperia NXS0104 Dual Supply Translating Transceivers
Nexperia NXS0104 Dual Supply Translating Transceivers are 4-bit, open drain, and auto direction sensing devices that enable bi-directional voltage level translation. These transceivers feature two 4-bit input-output ports (An and Bn), one Output Enable input (OE), and two supply pins (VCC(A) and VCC(B)). The Nexperia NXS0104 transceivers are fully specified for partial-power-down applications using IOFF. The IOFF circuitry disables the output, preventing the damaging backflow current through the device when powered down. These transceivers are ideally used in desktop PC, handsets, smartphones, and tablets.Features
- Wide supply voltage range
- VCC(A) of 1.65V to 3.6V range
- VCC(B) of 2.3V to 5.5V
- Maximum data rates
- Push-pull of 24Mbps
- IOFF circuitry provides partial Power-down mode operation
- Inputs accept voltages up to 5.5V
- Latch-up performance exceeds 100mA per JESD 78B Class II
- Multiple package options
- Specified from -40°C to 85°C and -40°C to 125°C temperature range
- ESD protection
- HBM: ANSI/ESDA/Jedec JS-001 Class 2 exceeds 2.5kV for A port
- HBM: ANSI/ESDA/Jedec JS-001 Class 3B exceeds 15kV for B port
- CDM: ANSI/ESDA/Jedec JS-002 Class C3 exceeds 1.5kV
- IEC61000-4-2 contact discharge exceeds 8000V for B port
Applications
- Desktop PC
- Handset
- Smartphone
- Tablet
Typical Operating Circuit
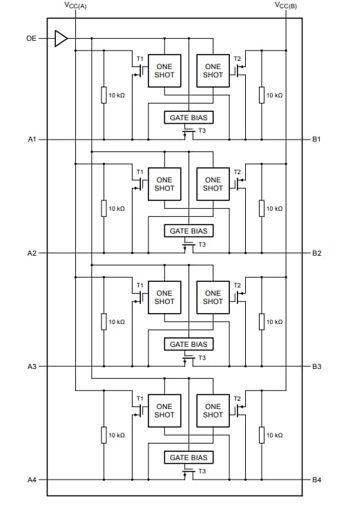
NXS0104 Architecture
Functional Diagram
View Results ( 6 ) Page
| Part Number | Datasheet | Package/Case | Qualification | Propagation Delay Time |
|---|---|---|---|---|
| NXS0104BQ-Q100X | ![]() |
DHVQFN-14 | AEC-Q100 | 4.7 ns, 7 ns |
| NXS0104BQX | ![]() |
DHVQFN-14 | 5.8 ns | |
| NXS0104GU12X | ![]() |
XQFN-12 | 5.8 ns | |
| NXS0104PW-Q100J | ![]() |
TSSOP-14 | AEC-Q100 | 5.8 ns |
| NXS0104PWJ | ![]() |
TSSOP-14 | 5.8 ns | |
| NXS0104GU12-Q100X | ![]() |
XQFN-12 | AEC-Q100 | 5.5 ns |
Published: 2019-05-31
| Updated: 2023-05-01

