Nexperia SOT8009 Surface-Mounted Package Products

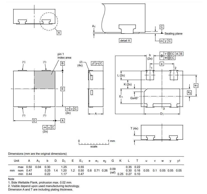
Nexperia SOT8009 Surface-Mounted Package Products offer a plastic, leadless ultra small outline package with side-wettable flanks (SWF). The SOT8009 package features three terminals, a 0.8mm pitch with a 1.4mm x 1.2mm x 0.48mm body. The SOT8009 products use a DFN1412D-3 descriptive code and a USON (ultra thin small outline; no leads) package style. The Nexperia SOT8009 Surface-Mounted Package Products support a 2mm x 1.7mm footprint and a 3.4mm2 footprint area.

Features

  • B (bottom) Terminal position code
  • DFN1412D-3 Package type descriptive code
  • DFN1412D-3 Package type industry code
  • USON (ultra thin small outline; no leads) Package style descriptive code
  • P (plastic) Package body material type
  • MO-340CA JEDEC package outline code
  • S (surface mount) Mounting method type
  • No package outline detail graphic references
  • 6-12-2019 Issue date
  • SOT8009 Manufacturer package code
  • 2mm x 1.7mm Footprint dimensions
  • 3.4mm2 Footprint area

Package Summary

Chart - Nexperia SOT8009 Surface-Mounted Package Products

Videos

Package Outline

Mechanical Drawing - Nexperia SOT8009 Surface-Mounted Package Products
Published: 2022-07-21 | Updated: 2025-12-18