Nisshinbo R5436 Battery Protection ICs
Nisshinbo R5436 Battery Protection ICs are overcharge, over-discharge, and overcurrent protection ICs for Li-ion / Li-polymer secondary batteries. These ICs are capable of protecting 6-serial or more cells rechargeable battery pack by cascade connection. The R5436 battery protection ICs offer a cell-balancing function to equalize imbalance between cells. These ICs also provide an open-wire detection to detect a broken wire between a battery and the circuit board. These battery protection ICs feature a high voltage tolerant process, low supply current, high-accuracy voltage detection, and zero voltage charging. Typical applications include Li-ion/Li-polymer battery protection for electric tools and electric bicycles.Features
- High voltage tolerant process
- Low supply current
- High-accuracy voltage detection
- Each detection delay time
- Zero voltage charging
- Voltage release type:
- Overcharge release voltage condition
- Latch type / voltage release type:
- Over-discharge release voltage condition
- 3 to 5 cells selectable battery protection
- Delay time shortening function
- External NTC temperature protection function
Applications
- Li-ion/Li-polymer battery protection for:
- Electric tools
- Electric bicycles
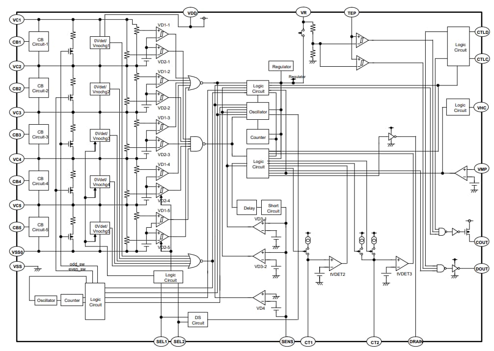
Block Diagram
Package Dimensions (mm)
Published: 2021-01-24
| Updated: 2022-09-06
