onsemi FSB50550B/FSB50550BS Motion SPM® 5 Series Module

onsemi FSB50550B/FSB50550BS Motion SPM® 5 Series Module provides a fully-featured, high-performance inverter output stage for AC Induction, BLDC, and PMSM motors. The module integrates an optimized gate drive of the built-in MOSFETs (FRFET® technology) to minimize EMI and losses. The onsemi FSB50550B / FSB50550BS provides multiple on-module protection features, including under-voltage lockouts and thermal monitoring.

Features

  • UL Certified No. E209204 (UL1557)
  • Optimized for over 10kHz switching frequency
  • 500V FRFET MOSFET 3-phase inverter with gate drivers and protection
  • Separate open-source pins from low-side MOSFETs for three-phase current-sensing
  • The active-HIGH interface works with 3.3/5V logic, Schmitt-trigger input
  • Built-in bootstrap diodes simplify PCB layout
  • Optimized for low electromagnetic interference
  • HVIC temperature-sensing built-in for temperature monitoring
  • HVIC for gate driving and under-voltage protection
  • 1500Vrms/min. isolation rating 
  • RoHS compliant
  • Moisture Sensitive Level (MSL) 3 for SMD package

Applications

  • 3-phase inverter driver for small power AC motor drives

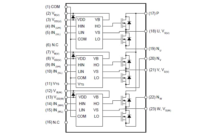
Block Diagram

Block Diagram - onsemi FSB50550B/FSB50550BS Motion SPM® 5 Series Module
Published: 2017-04-20 | Updated: 2022-03-11