Pulse Electronics PulseJack™ 1x1 Tab-Down RJ45 Connectors
Pulse Electronics PulseJack™ 1x1 Tab-Down RJ45 Connectors are high-speed 10GBase-T (10Gbit over twisted-pair) integrated connector modules (ICM). They are designed for server, LAN on motherboard, and storage markets. In addition to connectivity, they provide signal conditioning, signal isolation, and EMI suppression. All PulseJack ICMs are designed to meet IEEE 802.3 specifications and are qualified at major PHY suppliers. Pulse Electronics PulseJack™ 1x1 Tab-Down RJ45 Connectors feature a low-profile package for PCI Express.Features
- Ideal for use in 10GBASE-T transceivers
- Compliant with IEEE 802.3 standards
- Qualified with top 10Gig PHY manufacturers
- 260°C RoHS peak wave solder temperature rating
- Low-profile package for PCI Express
- Fine-tune magnetics to specific PHY vendors
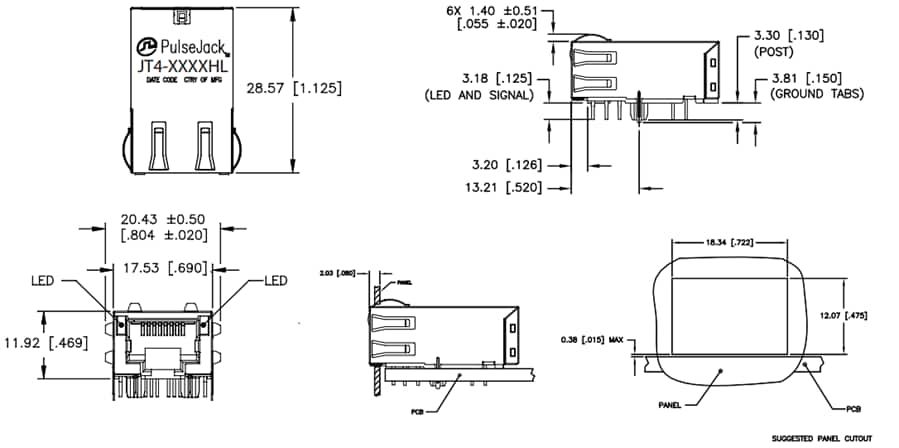
Dimensions
Published: 2012-10-05
| Updated: 2022-07-01
