Qorvo ACT510x 23V Buck-Boost Converters

Qorvo ACT510x 23V Buck-Boost Converters with four integrated MOSFETs provide high efficiency, low component count, and compact solutions for a wide 3.9V to 23V input voltage range. The four internal low-resistance NMOS switches of these converters minimize the size of the application circuit and reduce power losses to maximize efficiency.

The ACT510x buck-boost converters support programmable power supply (PPS) and offer thermal regulation and protection. These converters employ an advanced switch-control algorithm that allows maintaining output voltage regulation with input voltages that are above, below, or equal to the output voltage. Typical applications include power banks, car chargers, solar-powered devices, 24V industrial applications, solid-state lightings, and automotive power systems.

Features

  • Buck-Boost converters with four integrated switches
  • 3.9V to 23V wide VIN range (no dead zone)
  • 3V to 23V output voltage range
  • Supports PPS
  • 2V to 5V at 100mA programmable output LDO
  • Precision 0.5% voltage reference
  • Built-in ADC for temperature, input and output voltage, and current monitoring
  • Programmable output voltage and currents via both IC pins and I²C
  • Thermal regulation and protection
  • Programmable soft-start
  • Programmable safety timer
  • Enable pin for power on/off control
  • Programmable via I²C:
    • Output voltage
    • Output current
    • Output soft-start
  • Thermally enhanced 32-lead 4mx4mm QFN package

Applications

  • Car chargers
  • Power banks
  • Docking stations
  • 24V industrial applications
  • Automotive power systems
  • Multiple power source supplies
  • DC UPS
  • Solar-powered devices
  • Solid-state lighting

39W USB-C/USB-A Dual Port Car Charger Reference Design

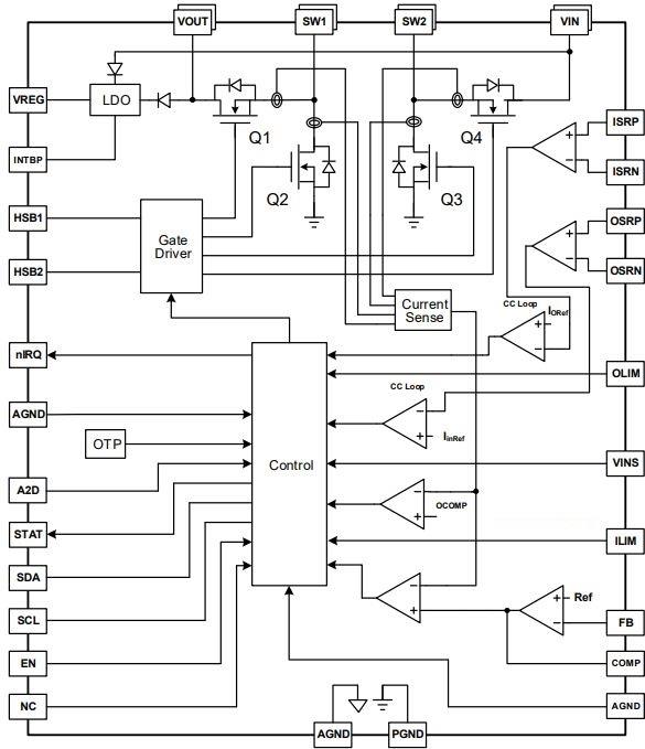
Block Diagram - Qorvo ACT510x 23V Buck-Boost Converters

Functional Block Diagram

Block Diagram - Qorvo ACT510x 23V Buck-Boost Converters
Published: 2019-09-11 | Updated: 2023-11-30