Qorvo QPA1111 Power Amplifiers
Qorvo QPA1111 Power Amplifiers are high-power, packaged X-Band MMIC amplifiers fabricated using 0.15μm GaN-on-SiC process (QGaN15). These amplifiers operate from 8.5GHz to 10.5GHz frequency range and a storage temperature of -55°C to 150°C range. The QPA1111 amplifiers offer 30W saturated output power with a power-added efficiency of 45% and a small signal gain of 38dB. These amplifiers are fully matched to 50Ω with DC-grounded I/O ports for optimum ESD performance and to simplify system integration. The QPA1111 power amplifiers are 100% DC and RF tested to ensure compliance with electrical specifications and are ideal for radar, satellite communications, and datalink applications.Features
- 8.5GHz to 10.5GHz frequency range
- 45dBm POUT (PIN = 18dBm)
- 45% PAE (PIN = 18dBm)
- 27dBm power gain (PIN = 18dBm)
- 65W power dissipation (PD)
- 38dB small signal gain
- -55°C to 150°C storage temperature range
- Bias:
- Pulsed VD = 22V
- IDQ = 620mA
- PW = 100µs
- DC = 10%
- VG = -2.3V typical range
- 6mm x 6mm x 0.85mm package dimensions
- Lead-free and RoHS-compliant
Applications
- Satellite communications
- Radar
- Datalinks
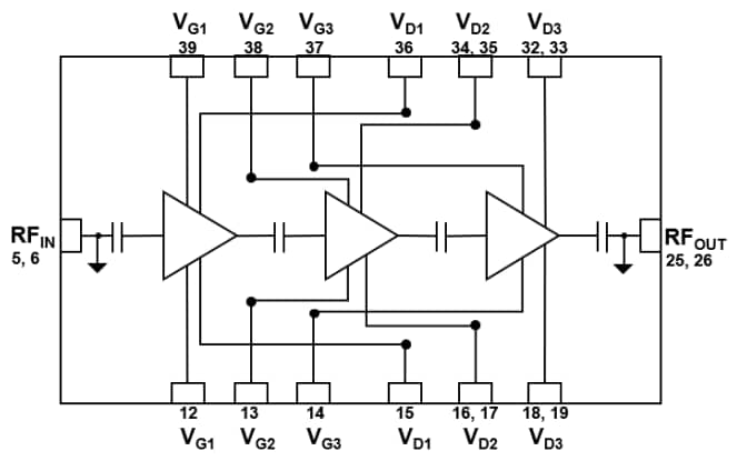
Functional Block Diagram
Published: 2024-09-20
| Updated: 2024-10-15
