Qorvo QPB8958 RF Amplifiers

Qorvo QPB8958 RF Amplifiers are GaAs Pseudomorphic High Electron Mobility Transistors (pHEMT) / Metal Semiconductor Field Effect Transistor (MESFET) with 75Ω push-pull RF amplifier. These ICs are designed to support DOCSIS 3.1 applications up to 1003MHz with a single 24V supply. The QPB8958 RF amplifier ICs feature over 34dB of flat gain and 4.5dB low noise. Qorvo QPB8958 RF Amplifiers offer low noise and low distortion at a high-efficiency that consumes only 5.8W in a 5mm x 7mm QFN package. Applications include DOCSIS 3.1, broadband CATV hybrid modules, headend CMTS equipment, and 75Ω amplifiers.

Features

  • High gain of 34dB @ 1003MHz
  • Adjustable bias
  • 50MHz to 1003MHz bandwidth
  • 46dBmv/ch flat
  • 4.5dB low noise
  • Excellent composite distortion
  • pHEMT / MESFET device technologies
  • The compact size of 40-pin 5mm x 7mm QFN package
  • 260mA  to 5.8W power consumption

Applications

  • DOCSIS 3.1
  • Broadband CATV hybrid modules
  • Head end CMTS equipment
  • 75Ω amplifiers

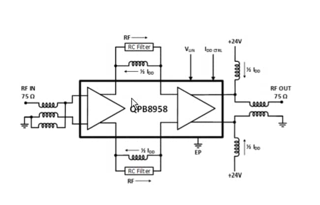
QPB8958 Functional Block Diagram

Block Diagram - Qorvo QPB8958 RF Amplifiers

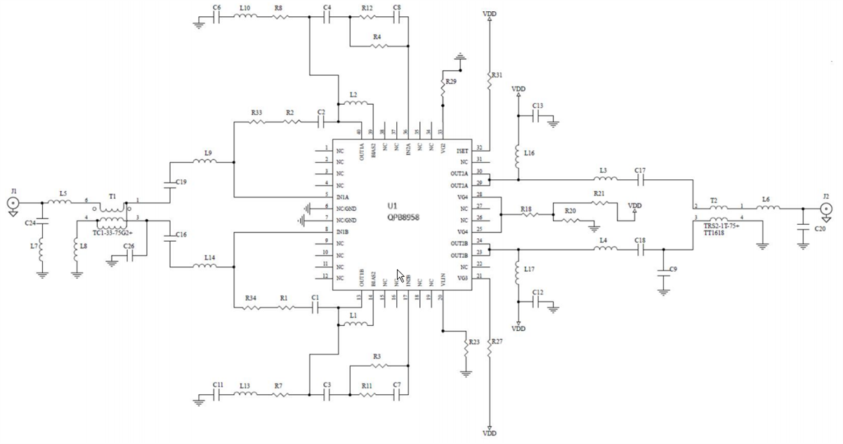
Typical Application Schematic

Schematic - Qorvo QPB8958 RF Amplifiers
Published: 2018-11-15 | Updated: 2023-02-02