Renesas Electronics HIP2103 & HIP2104 Half-Bridge Drivers

Renesas / Intersil HIP2103 and HIP2104 Half-Bridge Drivers are designed for applications using DC motors, three-phase brushless DC motors, or other similar loads. Two inputs (HI and LI) are provided to independently control the high side driver (HO) and the low side driver (LO). These two inputs can be configured to enable/disable the device. The very low IDD bias current in the Sleep Mode prevents battery drain when the device is not in use. A fail-safe mechanism is included to improve system reliability and minimize the possibility of catastrophic bridge failures due to controller malfunction.

Features

  • 60V maximum bootstrap supply voltage
  • 3.3V and 12V LDOs with dedicated enable pins (HIP2104)
  • 5µA sleep mode quiescent current
  • 4V under-voltage lockout
  • 3.3V or 5V CMOS compatible inputs with hysteresis
  • Integrated bootstrap FET (replaces traditional bootstrap diode)

Applications

  • Half-bridge, full-bridge, and BLDC motor drives
  • UPS and inverters
  • Class-D amplifiers
  • Any switch-mode power circuit requiring a half-bridge driver

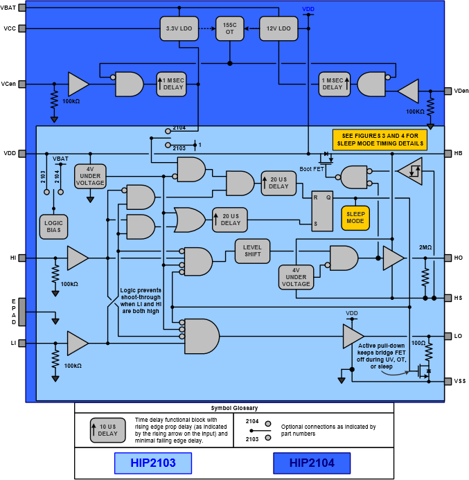
Block Diagram

Renesas Electronics HIP2103 & HIP2104 Half-Bridge Drivers
Published: 2014-01-16 | Updated: 2022-03-11