Renesas Electronics ISL29501-CS-EVKIT1Z Evaluation Kit
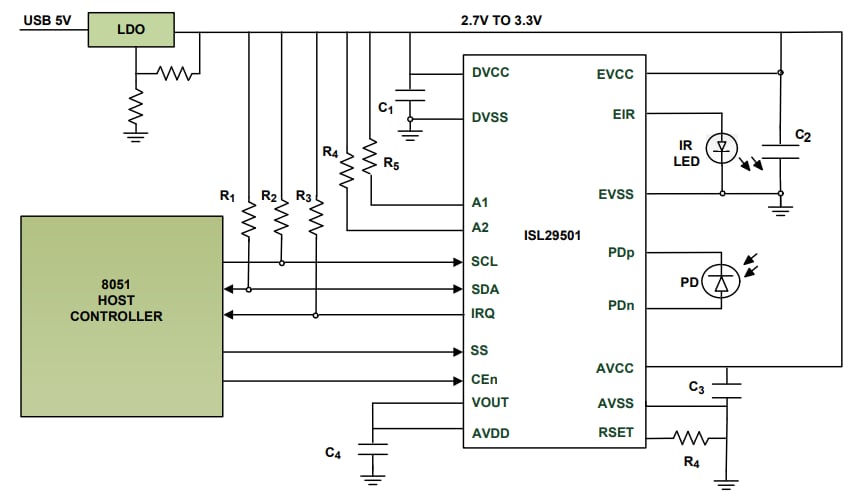
Renesas ISL29501-CS-EVKIT1Z Evaluation Kit is a reference design and evaluation board set that provides a single platform to evaluate the features of the Renesas ISL29501 distance detectors. The kit combines the ISL29501 chip with an OSRAM SFH 4550 IR emitting LED and OSRAM SFH 213FA photo-diode. The kit includes a USB flash device containing evaluation software for a PC and related technical documents.Features
- Self-contained measurement system
- Enables proximity detection and distance measurement
- Emitter DAC with programmable current up to 255mA
- Operates in continuous or single shot mode
- Onchip active ambient light rejection
- Regulated power 2.7V to 3.3V USB or external supply
- I2C interface supporting 1.8V and 3.3V bus
- Small 38mm x 20mm size
Specifications
- Micro USB 2.0 connection
- 5V VIN (USB power)
- 225mA IDD maximum
- 70mW P optical maximum
- 860nm wavelength
- 50% optical duty cycle maximum
- ±3° emission angle
- No coherent light
Block Diagram
Published: 2019-12-10
| Updated: 2023-10-09
