Renesas Electronics ISL81802 Dual Synchronous Buck Controllers
Renesas Electronics ISL81802 Dual Synchronous Buck Controllers are designed to generate two independent outputs or one output with two interleaved phases. These controllers feature a peak current mode control with phase interleaving for the two outputs. The ISL81802 controllers also feature programmable soft-start, and accurate threshold enable functions with a power-good indicator that simplifies power supply rail sequencing. These controllers operate from a 4.5V to 80V input voltage range, 100kHz to 1MHz programmable frequency range, and 5µA low shutdown current. The ISL81802 controllers provide Over-Voltage Protection (OVP), Under-Voltage Protection (UVP), One-Time Programmable memory (OTP), and average and peak current limits at both outputs for high reliability. These controllers are used in telecommunication, data centers, automotive electronics, industrial equipment, and power systems.Features
- 4x MOSFET drivers with adaptive shoot-through protection
- Light-load efficiency enhancement, low ripple diode emulation, and burst mode operation
- Programmable soft-start
- Supports startup into pre-biased rails
- External clock sync
- Clock out with accurate phase angle controlled by PLL or frequency dithering
- Output current monitor
- Constant output voltage and output current feedback loop control
- Supports current sharing with cascade phase interleaving
- PGOOD indicator
- Selectable mode between PWM/DE/Burst
- 4.5V to 80V input voltage range
- 0.8V to 76V output voltage range
- 5µA low shutdown current
- 100kHz to 1MHz programmable frequency range
- ±2% accurate EN/UVLO threshold
Applications
- Telecommunications
- Server and data centers
- Automotive electronics
- Industrial equipment
- Power systems
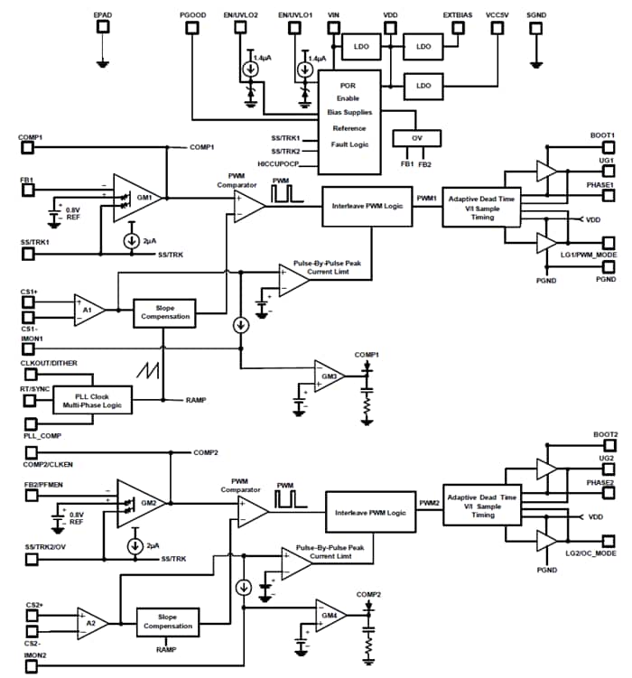
Block Diagram
Typical Application Diagram
Published: 2020-12-17
| Updated: 2023-12-11
