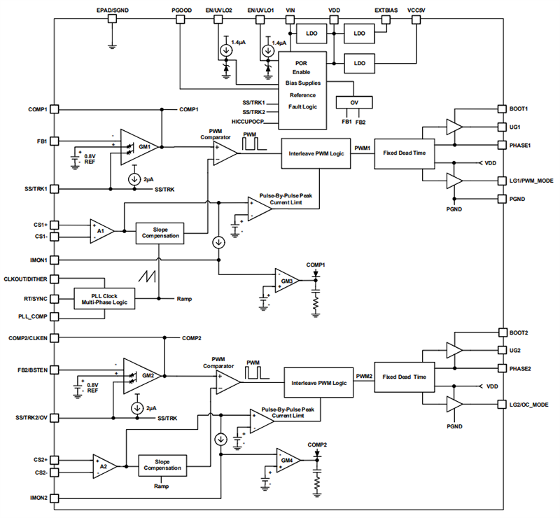
Renesas Electronics ISL81806 80V Dual Synchronous Buck Controller
Renesas Electronics ISL81806 80V Dual Synchronous Buck Controller is E-mode GaN-based and generates two independent outputs or one output with two interleaved phases. The ISL81806 provides a 5.3V gate driver voltage for E-mode GaN device applications. With broad input and output voltage ranges (up to 80V), the controller is suitable for telecommunications, data centers, and computing applications.The ISL81806 uses peak current mode control with phase interleaving for the two outputs. Each output features a current monitor, voltage regulator, and average current regulator to provide independent average voltage/current control. An internal Phase-Locked Loop (PLL) oscillator ensures accurate frequency settings from 100kHz to 1MHz. The oscillator can be synchronized to an external clock signal for frequency synchronization and phase interleave paralleling applications. This PLL circuit outputs a phase-shift-programmable clock signal that is expanded to three, four, and six phases.
The 32-lead 5mm x 5mm TQFN packaged (with EPAD) Renesas ISL81806 features programmable soft-start, accurate threshold enable functions, and a power-good indicator to simplify power supply rail sequencing. The device also provides full protection features such as OVP, UVP, OTP, and OCP on both outputs.
Features
- Wide 4.5V to 80V input voltage range
- Wide 0.8V to 76V output voltage range
- 5.3V gate drive voltage
- 4x FET drivers
- Dual interleaved outputs or single output with interleaved dual-phase operation
- 100kHz to 2MHz programmable frequency range
- Constant output voltage and output current feedback loop control
- Light-load efficiency enhancement, low ripple diode emulation, and burst mode operation
- Programmable soft-start
- Supports startup into pre-biased rails
- Supports current sharing with cascade phase interleaving
- External clock sync
- Clock out with accurate phase angle controlled by PLL or frequency dithering
- PGOOD indicator
- Output current monitor
- Selectable mode between PWM/DE/Burst
- ±2% accurate EN/UVLO threshold
- Low 5µA shutdown current
- OCP (pulse by pulse and optional hiccup or constant current mode), OVP, OTP, and UVP
Applications
- Telecommunications
- Server and data centers
- Automotive electronics
- Industrial equipment
- Power systems
Typical Application
Block Diagram
