Renesas Electronics RC192xxA PCIe Gen5/6 Clock Buffers & Multiplexers
Renesas Electronics RC192xxA PCIe Gen5/6 Clock Buffers and Multiplexers feature an ultra-low additive jitter and three signal path options for design flexibility. The integrated source-terminated 85Ω or 100Ω saves up to 64 external for the 16ch MUX variant. The high-speed serial interface (SBI) supports output enable and device daisy-chaining. System security on the RC192xxA is ensured with SMBus write protection.The Renesas RC192xxA PCIe Gen5/6 Clock Buffers and Multiplexers offer an extended operating temperature in a small package.
Features
- Low additive phase jitter
- 7fs RMS PCIe Gen5 additive phase jitter
- 4fs RMS PCIe Gen6 additive phase jitter
- <1.7ns maximum in-out propagation delay
- Power Down Tolerant (PDT) input and Flexible Power Sequencing (FPS)
- Automatic Clock Parking (ACP)
- 2:N or (1:N/2) x2 multiplexed options
- 4-wire Side-Band Interface
- 9 selectable SMBus addresses
- SMBus write protection
- 85Ω or 100Ω output impedance by pin strap setting
- -40°C to +105°C, 3.3V±10% operation
Applications
- Cloud/High-performance Computing
- nVME Storage
- Networking
- Accelerators
- Computing
- Industrial7
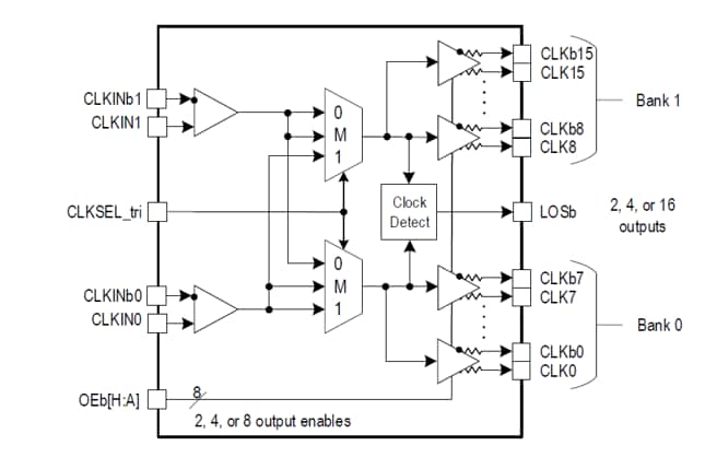
Block Diagram
Published: 2022-01-24
| Updated: 2022-03-11
