ROHM Semiconductor BD8381AEFV-M Single-Chip LED Drivers

ROHM BD8381AEFV-M Single-Chip LED Drivers are designed for automotive headlamp and daytime running lamp (DRL) use. ROHM BD8381AEFV-M features a single-chip design that includes the entire range of functionality needed to serve as an LED driver circuit. The BD8381AEFV-M provides pulse width modulation (PWM) without a microcontroller by incorporating a built-in oscillator circuit. This LED Driver also offers a range of protective functionality to detect headlamp faults such as LED short and open states. This allows it to better meet the automotive market's need for a high level of reliability. An absolute maximum voltage of 50V gives the product sufficient dielectric strength to withstand battery voltage fluctuations.

Features

  • Single-chip design eliminates the need for additional discrete components
  • Integrated buck-boost current-mode DC/DC controller
  • Built-in CR timer for PWM brightness
  • Built-in protection functions (undervoltage lockout, overvoltage protection, overcurrent protection, short-circuit protection, thermal shutdown)
  • LED error status detection function (OPEN/SHORT)
  • 5.0V to 30V input supply voltage range
  • -40°C to +125°C operating temperature range
  • 9.7mm x 6.5mm x 1.0mm HTSSOP-B28 package

Applications

  • Automotive LED headlamps
  • Daytime running lights

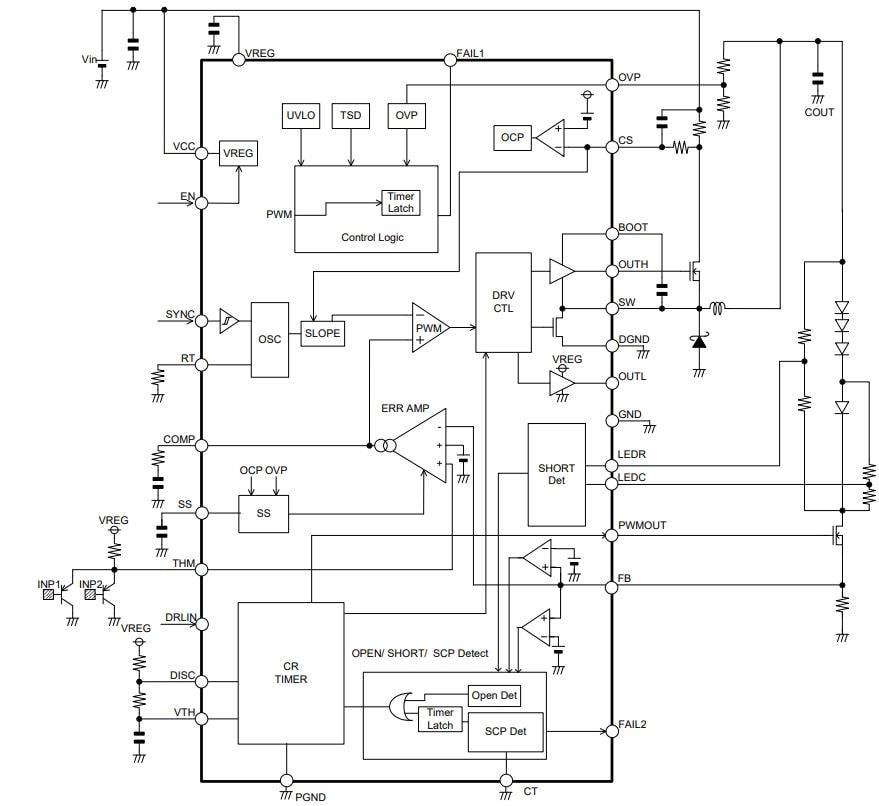
Block Diagram

Block Diagram - ROHM Semiconductor BD8381AEFV-M Single-Chip LED Drivers
Published: 2016-10-06 | Updated: 2022-03-11