ROHM Semiconductor BH76360FV Video Driver
ROHM Semiconductor BH76360FV Video Driver is a video signal switching IC. The BH76360FV Video Driver features six inputs and one circuit input offering a wide dynamic range and frequency response. Since the BH76360FV can be used with low voltage starting at VCC=2.8V, it is ideal for low-powered mobile devices.The ROHM Semiconductor BH76360FV Video Driver supports a broad range of input signals, depending on whether or not a 6dB video amplifier and video driver is included and what combination of sync tip clamp type and bias (resistor termination) type inputs are used.
Features
- Low input voltage requirement
- Wide output dynamic range
- Excellent 100kHz to 10MHz 0dB frequency response
- No crosstalk between channels (-65dB, f=4.43MHz typical)
- Built-in standby function, circuit current during standby is 0μA
- Sync tip clamp input
- Integrated 6dB amp and 75Ω driver
- Enables two load drivers when using an output coupling capacitor
- Able to be used without output coupling capacitor
Specifications
- 2.8V to 5.5V supply voltage range
- 12mA operating supply current
- -40°C to +85°C operating temperature range
- 6 inputs
- Clamp input type
- 1 output
Applications
- Automotive infotainment
- Navigation
- Industrial machine vision camera
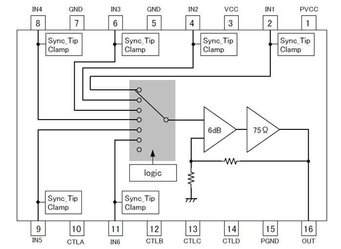
Block Diagram
Published: 2017-02-21
| Updated: 2022-06-16
