ROHM Semiconductor SLI-570x/SLA-570x Through Hole Multi-Color LEDs
ROHM Semiconductor SLI-570x/SLA-570x Through Hole Multi-Color LEDs offer high brightness in a variety of colors. The SLI-570x/SLA-570x features a viewing angle of 20 1/2: 20° (SLI-570 Series) and 20 1/2: 25° (SLA-570 Series). The SLI-570x/SLA-570x Multi-Color LEDs deliver and operating temperature of -30°C to +85°C.Features
- Viewing angle 20 1/2: 20° (SLI-570 Series)
- Viewing angle 20 1/2: 25° (SLA-570 Series)
- High brightness
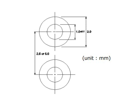
Dimensions
Recommended Solder Pattern
Published: 2022-07-08
| Updated: 2022-07-11
