Swissbit M1700 embedded MultiMediaCards (eMMCs)

Swissbit M1700 embedded MultiMediaCards (eMMCs) are 4GB devices preconfigured in 100% pSLC mode and designed for a long life cycle. These eMMCs are designed as small-form-factor memory devices for data storage and boot media. The M1700 eMMCs are non-volatile storage consisting of a single-chip MMC controller and a NAND flash memory chip inside a JEDEC-defined standard BGA package. These eMMCs are based on 2D pSLC NAND base technology that targets high-demand and write-intensive industrial applications. The M1100 eMMCs operate at -40°C to 85°C industrial and -40°C to 105°C automotive temperature ranges. These eMMC devices are fully compliant with the JEDEC eMMC 5.1 standard. The M1700 eMMCs are offered in a 153-ball BGA, 0.5mm pitch, and 11.5 x 13mm dimensions. These devices are AEC-Q100 qualified and RoHS compliant. The M1700 eMMCs are ideal for industrial, POS/POI, PLC, IoT, and charging stations, as well as medical applications.

Features

  • 4GB, preconfigured in 100% pSLC mode and designed for a long life cycle
  • Fully compliant with JEDEC eMMC 5.1 standard (JESD84-B51)
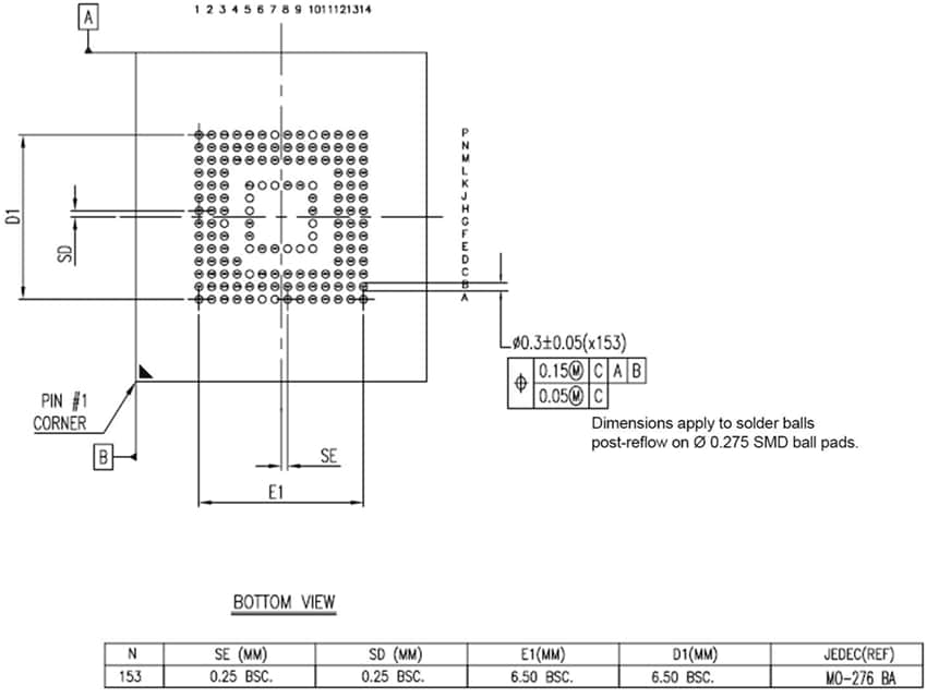
  • 153-ball BGA, 0.5mm pitch, and 11.5 x 13mm dimensions
  • 2D MLC NAND base technology in enhanced mode (pSLC)
  • Multiple MLC or enhanced/reliable mode partitions are user configurable according to the eMMC Spec 5.1
  • High-performance eMMC 5.1 specification:
    • Eleven-wire bus (clock, data strobe, 1-bit command, and 8-bit data bus) and a hardware reset
    • Three different data bus width modes:
    • 1-bit (default), 4-bit, and 8-bit
    • 0MHz to 200MHz clock frequencies at high-speed mode HS400
    • Command queue feature according to eMMC Spec 5.1
    • Up to 240MB/s sequential read and up to 90MB/s sequential write
  • Power supply:
    • Low-power CMOS technology
    • VCCQ 1.7V to 1.95V or 2.7V to 3.6V eMMC supply ranges
    • VCC 2.7V to 3.6V NAND flash supply range
  • Optimized FW algorithms:
    • Power-fail data loss protection
    • Wear leveling technology equals wear leveling of static and dynamic data
    • Read disturb management
    • Auto-read refresh
    • Diagnostic features with device health report according to eMMC Spec 5.1
    • Field firmware
    • Discard, sanitize, and trim
    • Boot operation mode and alternative boot operation mode
    • Replay Protected Memory Block (RPMB)
  • High reliability:
    • Designed with sophisticated firmware architecture for industrial, automotive, and embedded markets
    • Optimized for a long life cycle that requires superior data retention as well as power fail safety
  • RoHS compliant
  • AEC-Q100 qualified

Applications

  • Industrial
  • POS/POI
  • Programmable Logic Controllers (PLCs)
  • IoT
  • Charging stations
  • Medical

eMMC System Overview

Swissbit M1700 embedded MultiMediaCards (eMMCs)

Dimensions

Mechanical Drawing - Swissbit M1700 embedded MultiMediaCards (eMMCs)
Published: 2025-06-05 | Updated: 2025-06-10