Analog Devices Inc. EVAL-ADXL314Z Evaluation Board

Analog Devices Inc. EVAL-ADXL314Z Evaluation Board is designed to quickly and easily demonstrate the ADXL314 3-axis digital accelerometer. The digital data output is formatted as 16-bit, twos complement and is accessible via a serial peripheral interface (SPI), 3-wire or 4-wire, or an I2C digital interface.

The ADI EVAL-ADXL314Z evaluation board is ideal for evaluating the ADXL314 in an existing system. The stiffness and the small size of the EVAL-ADXL314Z minimize the effect of the board on both the system and acceleration measurements.

Features

  • 2 sets of spaced vias for a population of 5-pin headers
  • Easily attached to prototyping board or PCB
  • Small size and board stiffness minimize the impact on the system and acceleration measurement

Kit Contents

  • EVAL-ADXL314Z evaluation board
  • 10-pin Harwin connector, M80-8541042

Layout

Analog Devices Inc. EVAL-ADXL314Z Evaluation Board

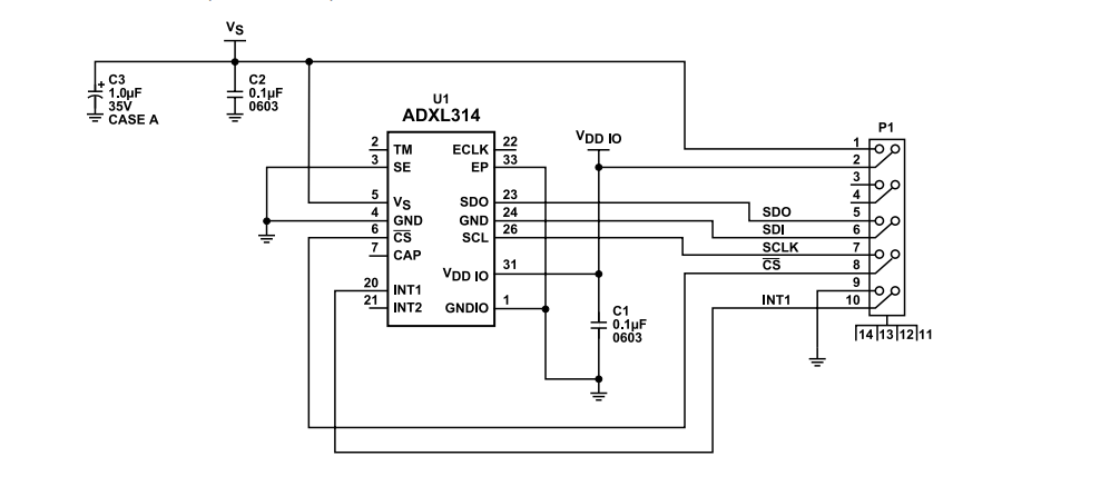
Schematic

Schematic - Analog Devices Inc. EVAL-ADXL314Z Evaluation Board
Published: 2022-10-24 | Updated: 2022-10-27