Silvertel Ag9900 Power-over-Ethernet (PoE) Modules
Silvertel Ag9900 Power-over-Ethernet (PoE) Modules are designed to extract power from a conventional twisted pair category 5 Ethernet cable. These modules comply with the IEEE802.af standard. The Ag9900-LPB (low-profile SMT) variants measure 21mm x 14mm x 8mm, and the Ag9900-MTB (MST) variants measure 21mm x 14mm x 13mm dimensions. These Ag9900-LPB/MTB modules are available in Surface Mount (SMT) or through-hole options. The DC-DC converter includes a built-in short-circuit output protection and offers regulated output.The Ag9900 PoE modules feature overload protection, short-circuit protection, and over-temperature protection functions (MT, MTB, and LPB). These modules are used in IoT sensors, smart buildings, smart speaker systems, IP cameras, thermostats, wall-mount appliances, home automation appliances, and IoT-connected device applications.
Features
- Small IEEE802.3af compliant PoE module
- 40% smaller than other PoE solution
- 3V, 5V, 12V, and 24V output voltage versions
- 36V to 57V input voltage range
- MTB and LPB variants available in tray or tape and reel packaging
- 1.5kV isolation voltage
- Surface mount module and through-hole options
- Overload and short-circuit protection
- Over-temperature protection option (MT, MTB, and LPB)
- Low cost and simple integration
- Designed and manufactured in the UK
Applications
- IoT-connected devices
- Industrial IoT-connected devices
- Smart conference systems
- IoT sensors
- Security requirements
- CCTV security cameras
- Smart speaker systems
- Audio-visual systems
- Access control and smart locks
- Industrial sensors
- IP cameras
- IP phones
- Wall mount appliances
- Smoke detectors
- Smart thermostats
- Point of sale terminals
- Smart security systems
- Call systems
- Door entry systems and video doorbell systems
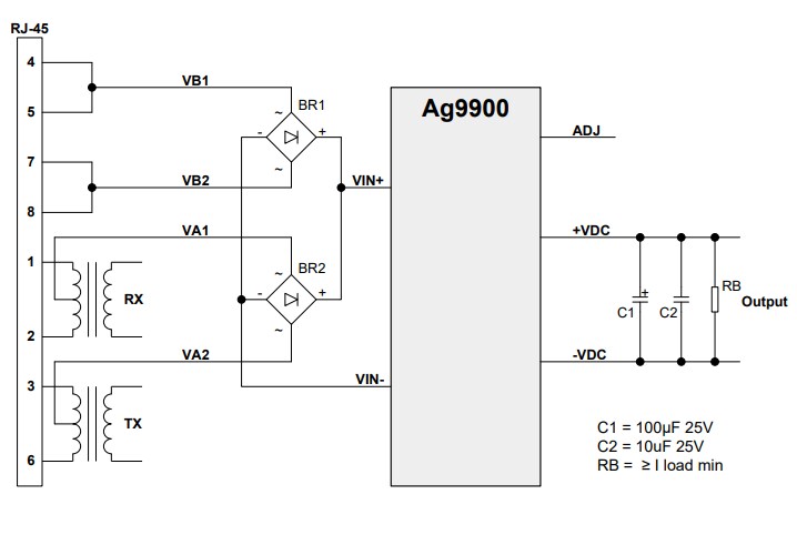
Block Diagram
Typical Connection Diagram
Product Selector
Additional Resource
Published: 2025-02-13
| Updated: 2025-10-25
