Siretta Stripped & Tinned RF Cable Assemblies
Siretta Stripped and Tinned RF Cable Assemblies feature a range of industry-standard bulkhead connectors with a stripped and tinned termination. The termination style of these Siretta cables allows designers to solder the cable directly to a PCB for a more robust solution, especially in high-vibration applications. The stripped and tinned ends prevent wire fraying and improve connection reliability. Applications include cellular modules, Wi-Fi®/BLUETOOTH® devices, drones/robotics, medical devices, and wearables.Features
- Stripped and tinned end
- Connector options
- SMA female bulkhead front mount with O-ring (ASMHxxxXC113S11)
- SMA female bulkhead rear mount with O-ring (ASMHxxxXD113S11)
- RP-SMA female bulkhead front mount with O-ring (ASMHxxxYD113S11)
- RP-SMA female bulkhead rear mount with O-ring (ASMHxxxYE113S11)
- SMA female bulkhead front mount (ASMHxxxZA113S11)
- SMA female bulkhead rear mount (ASMHxxxZB113S11)
- RP-SMA female bulkhead front mount (ASMHxxxZN113S11)
- RP-SMA female bulkhead rear mount (ASMHxxxZO113S11)
- 1.13mm coaxial cable
- 50Ω impedance
- 100mm, 150mm, or 300mm length
- DC to 6GHz suggested working frequency
Applications
- Cellular modules
- Wi-Fi/Bluetooth devices
- Drones/robotics
- Medical devices
- Wearable devices
Specifications
- -40°C to +90°C operating temperature
- RoHS and REACH compliant
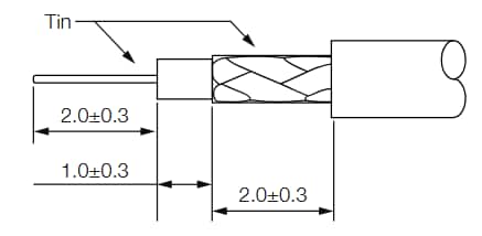
Tin Detail
Published: 2025-08-05
| Updated: 2025-08-18
