STMicroelectronics EV-VNHD7008AY Evaluation Board
STMicroelectronics EV-VNHD7008AY Evaluation Board is a demonstration and prototyping platform for the VNHD7008AY H-bridge Motor Driver. The pre-assembled EV-VNHD7008AY Evaluation Board includes a VNHD7008AY Driver and additional electrical components, enabling developers to directly connect a load, power supply, and microcontroller without any additional effort in external component design and connection.The STMicroelectronics EV-VNHD7008AY Evaluation Board is housed in a PowerSSO-36 exposed pad package to optimize dissipation performance. The input signals INA and INB can directly interface the microcontroller to select the motor direction and the brake conditions. Two selection pins (SEL0 and SEL1) are available to address to the microcontroller the information available on the MultiSense. The MultiSense pin allows to monitor the motor current, provides a voltage proportional to the battery value, and monitors the temperature of the chip.
Features
- Simple single IC application board dedicated for VNHD7008AY
- Provides electrical connectivity and thermal heat-sinking for easy prototyping
- 45mm x 65mm
- RoHS compliant
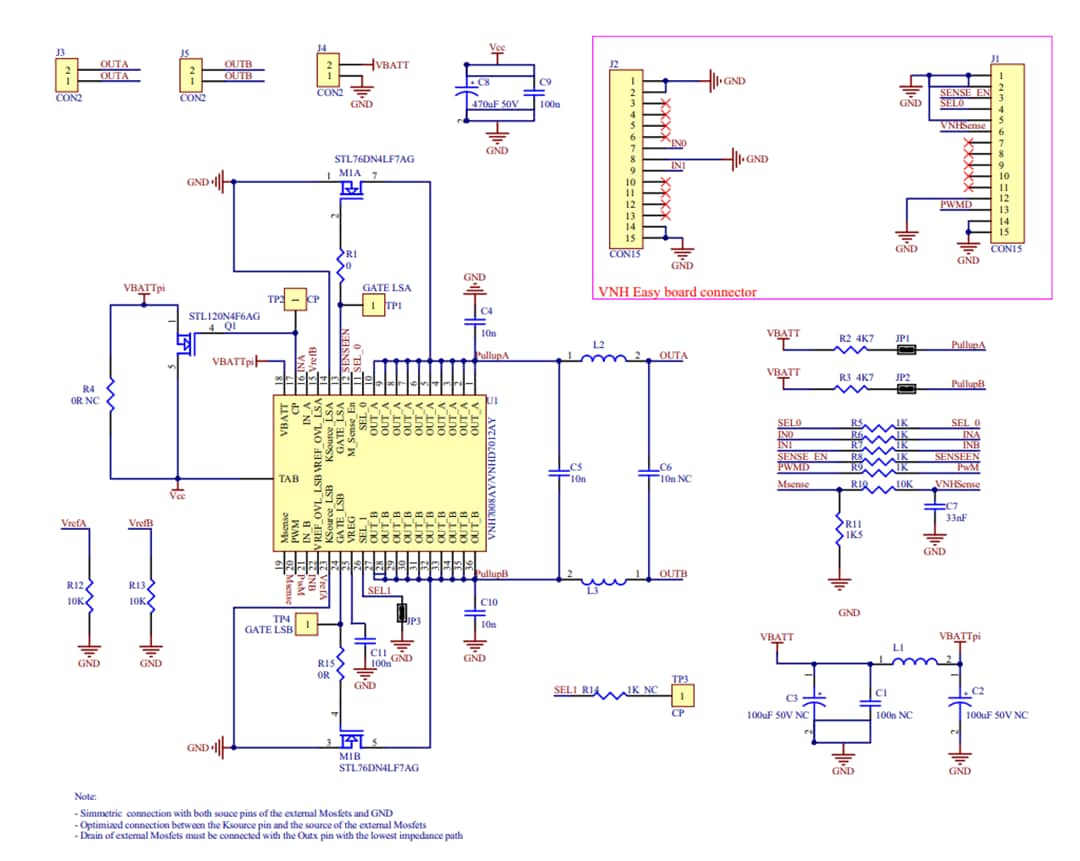
Schematic
Published: 2018-12-10
| Updated: 2023-02-27
