STMicroelectronics STEVAL-MKI209V1K Evaluation Kit

STMicroelectronics STEVAL-MKI209V1K Evaluation Kit includes an embedded IIS2ICLX inclinometer sensor, which is connected through a flat cable to the STEVAL-MKIGIBV2 adapter board. The device is then compatible with the STEVAL-MKI109V3 motherboard.

The IIS2ICLX sensor is soldered precisely in the center of the board and double-sided adhesives are included, allowing the board to be mounted on equipment destined for vibration analysis. Additionally, the board can be mounted using the holes on each corner of the PCB.

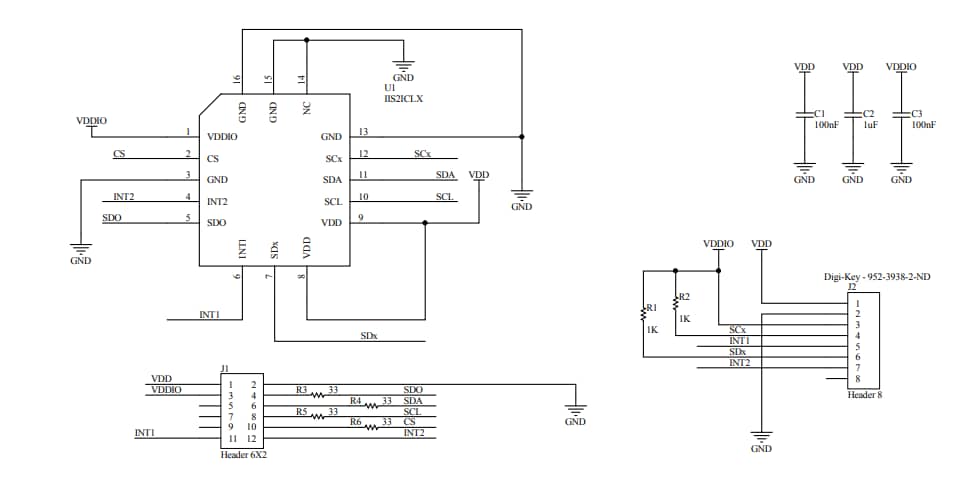
The STM STEVAL-MKI209V1K Evaluation Kit comes with the complete IIS2ICLX pin-out and is ready-to-use with the required decoupling capacitors on the VDD power supply line.

The Adapter Board is supported by the STEVAL-MKI109V3 motherboard with a high-performance 32-bit microcontroller functioning as a bridge between the sensor and a PC. This connection then makes it possible to use the downloadable Graphical User Interface (Unico GUI), or dedicated software routines for customized applications.

Features

  • User-friendly IIS2ICLX board
  • Complete IIS2ICLX pinout for a standard DIL 24-socket
  • Double-sided adhesives included for easy mounting on equipment to be measured

Applications

  • IoT for Smart Things
  • Precision inclinometers
  • Antenna pointing and platform leveling
  • Structural health monitoring
  • Precise leveling instruments
  • Installation and monitoring of equipment
  • Robotics and industrial automation

Schematic

Schematic - STMicroelectronics STEVAL-MKI209V1K Evaluation Kit
Published: 2020-07-14 | Updated: 2025-01-15